

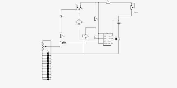
Se trata de un circuito monoestable, uno de los circuitos más básicos 555; tiene dos Estados distintos, uno de ellos estable (con un voltaje constante) y el otro inestable (teniendo un voltaje inestable o variable). Normalmente, el circuito está en condición estable. El circuito puede extraerse la condición estable temporalmente por un pulso de entrada llamado una señal de disparo. Después de un cierto período de tiempo, que se puede ajustar o configurar eligiendo valores de los componentes específicos
{t = 1.1 * Rt * Ct}, el circuito vuelve al estado estable hasta que otra señal de activación se aplica.
Por ejemplo: Rt = 10 kilo ohmios, Ct = 100 microfaradios; por lo tanto t = 1.1 * 10 ^ 3 * 100 ^ -6 = > t = 1.1S
En los esquemas te darás cuenta de dos potenciómetros; uno de ellos aumenta/disminuye el brillo de los LED (Rpot1) y el otro aumento o disminuye el período de tiempo antes de apagar el LED.
También he añadido un interruptor que me permite cambiar de modo normal a modo de temporizador
El botón inicia el temporizador para que cuando presione el LED se encenderá durante 1,1 segundos.
Si decides añadir un potenciómetro que varía en el tiempo entonces se convierte en la fórmula: t = 1.1*(Rt+Rpot) * Ct
https://123D.circuits.IO/Circuits/1489277-LAMP-with-Timer/Edit
Haga clic en el enlace para saber más sobre circuitos monoestable: http://whatis.techtarget.com/definition/monostable...