Ladrón de julios de alto voltaje! (4 / 4 paso)

Paso 4: Juntar todas las piezas.

ahora juntar todas las piezas.
y probarlo!

Artículos Relacionados

Fácil alto voltaje DC girar el generador.

Fácil alto voltaje DC girar el generador.

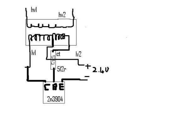
Aquí les mostraré lo fácil que es hacer una manivela de C.C. de alta tensión simple generador sin necesidad de circuitos de flyback transistores de lujo como el famoso ladrón de Joule. Todo esto no debería costar más entonces $20. En algunos casos qu
PELIGRO: Loco alto voltaje arcos (escalera de Jacob de)

PELIGRO: Loco alto voltaje arcos (escalera de Jacob de)

Este proyecto fue creado por Adam Meikle, Colton Berge y Aidan Hutchison, WHS AP física período 5.Explicación:La escalera de Jacobs trabaja tomando un alto voltaje corriente en un alambre de cobre y puentes al otro cable por arco eléctrico. La corrie
Tuercas de la Corona de alto voltaje

Tuercas de la Corona de alto voltaje

¡ ADVERTENCIA! Alta tensión es peligrosa. Todo el trabajo con alto voltaje debe hacerse bajo los auspicios de una organización con la seguridad adecuada y las políticas de formación implementadas. Mi sistema es un poco de un caso extremo, puesto que
MÓDULOS de controlador de tubo de NIXIE parte III - fuente de alimentación de alto voltaje

MÓDULOS de controlador de tubo de NIXIE parte III - fuente de alimentación de alto voltaje

Antes de que miramos preparando el microcontrolador Arduino/Freeduino para la conexión a los módulos de controlador de tubo de nixie descrito en parte I y parte II, usted puede construir esta fuente de alimentación para proporcionar la tensión de dis
Fuente de alimentación de alto voltaje para Nixies, CFL, bulbos de neón Glow etc. para mis objetos steampunk

Fuente de alimentación de alto voltaje para Nixies, CFL, bulbos de neón Glow etc. para mis objetos steampunk

Hi todo el mundoEste instructable es también un resumen de mi propia experiances en funky objetos de luz utilizando el sistema electrónico de una cámara de eliminación, como el conocimiento de otros proyectos y ideas constructivas de la internet.Por
Encendido bobina de alto voltaje pantalla

Encendido bobina de alto voltaje pantalla

una bobina de encendido del automóvil común puede generar un voltaje de salida del orden de 30.000 voltios. Se trata de un voltaje suficiente para producir arcos que saltan una brecha de aire de una pulgada o más.  Conducido correctamente también pue
Transformador de alto voltaje de la herida del hogar

Transformador de alto voltaje de la herida del hogar

Extremadamente peligroso, pero divertido para mirar.Dibuja 50-65 amperios de la corriente cuando el balasto y 80-100 cuando no lastrada.Paso 1: Obtener alambre de cobre esmaltado18 AWG para demasiada8 AWG para primariaPara la entrada de 230 VAC, vamo
Hombre de EPROM de alto voltaje

Hombre de EPROM de alto voltaje

Conocer hombre de EPROM. Tiene un cuerpo de EPROM, la cabeza del zócalo de la bombilla, con un cristal de 16MHz para los ojos, fusibles para brazos, fusible clips para las manos, casquillos ajustables para tapas de rodilla y pies MOSFET. Él fue inspi
Luz de noche de alto voltaje de steampunk plasma

Luz de noche de alto voltaje de steampunk plasma

Basado en instructables muy detallada de Junophor y almirante Aaron Ravensdale he construido un steampunk inspirada noche de luz. Usando un simple joyero, algunos chatarra de latón y cobre partes y piezas, un circuito de alto voltaje de un solo usan
HACER un alto voltaje de la fuente en 5 minutos

HACER un alto voltaje de la fuente en 5 minutos

en este Instructable aprenderás cómo hacer un alto voltaje de alta frecuencia de alimentación en 5 minutos y por menos de $20.Todo lo que necesitas es una luz fluorescente compacta (CFL) y un transformador flyback.Transformadores Flyback se encuentra
Tintas de alto voltaje!

Tintas de alto voltaje!

En este video, usé una herramienta de morir. Dispositivo de la fotografía casera de Kirlian. Durante los últimos días... Decidí hacer impresionantes fotos de alto voltaje y videos, pero mi método es un registro de las descargas eléctricas con marco d
Alto voltaje Vs hoja

Alto voltaje Vs hoja

En este video, lo utiliza una hoja de flor, es muy favorable para alto voltaje, porque dentro de ellas centra gran parte de agua. Dispositivo de la fotografía casera de Kirlian. Durante los últimos días... Decidí hacer impresionantes fotos de alto vo
Crear una Variable de alto voltaje de fuente de alimentación

Crear una Variable de alto voltaje de fuente de alimentación

necesitaba una variable 0 a fuente de alimentación de alto voltaje de 50KV para mis experimentos de alto voltaje que no rompen el Banco, así que construí mi propio.Con sólo unas pocas partes de antiguos hornos de microondas, televisores y un quemador
Cómo: fuente de alto voltaje de transformador resonante de microondas.

Cómo: fuente de alto voltaje de transformador resonante de microondas.

Bien primero de todo siento debo dar un poco de responsabilidad. Transformadores de horno de microondas son de hecho mortal la corriente y voltaje que ponen hacia fuera es más entonces lo suficiente como para matar a usted, el voltaje y corriente que