Paso 6: Prototipo su electrónica








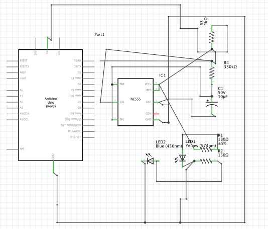
Antes de continuar, es crucial para el prototipo de la electrónica. Si electrónica es "Griega que" no se preocupe por él. Sobre adjunto los esquemas de tres imágenes separadas. Porque mi primer esquema fue algo caótica, rompió para arriba para que sea mucho más fácil de interpretar. Te recomiendo comenzar con el circuito 555 temporizador que controla el LED intermitente a lo largo del exterior del juego. Soldar todos mis componentes en un pedazo de tablero perforado. Una vez que el circuito se suelda juntos, utilice pinzas para conectar el circuito a la fuente de alimentación de Arduino. Si esta sección funciona, pasar al zumbador y el LED. Las salidas se hará uso de la digital pines 8, 9, 10. Asegúrese de ajustar sus resistencias según voltaje el LED y de zumbador. Después de que las salidas están intactas, pasemos a las entradas. 3 entradas digitales son necesarios para este proyecto. Se utilizan para detectar cuándo ha comenzado el juego, perdió y ganó. Use pernos de 2, 3 y 4 para conectar los circuitos al Arduino. Una vez que se conectan todos los componentes electrónicos, subir el código que se incluye a continuación para probar su funcionalidad. Este es el mismo programa que utilicé en mi versión completa.