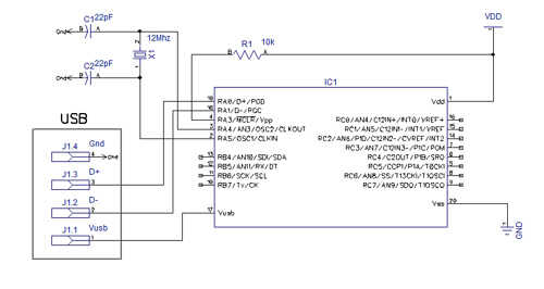
Paso 4: Versión de Breadboard: circuito

- El cristal es de 12MHz y se conecta al Pin 2 y Pin 3. También en el Pin 2 y 3 son casquillos de cerámica pequeños, deben ser alrededor de 22pf.
- Un resistor de k 10 debe levantar Pin 4 (un extremo conectado a 3.3v, el otro extremo conectado al Pin 4.
- Pin 1 debe estar conectado a un 3,3 v Fuente de alimentación
- PIN 20 debe conectarse a tierra
El jefe de la Junta debe conectar al cable USB macho. Tomar el cable USB y cortar un extremo (el extremo que normalmente se conecta al dispositivo USB). Hay 4 hilos en el cable, aquí está cómo se conectan al circuito;
- VSS = tierra - generalmente el cable negro en el cable usb
- D-, Pin 19 - generalmente el cable blanco en el cable usb
- D +, Pin 18 - generalmente el cable verde en el cable usb
- Vusb, Pin 17 - generalmente el cable rojo en el cable usb
Si no estás seguro del cableado el cable USB, utilice un multímetro para probar continuidad. Aquí está cómo está conectado el conector USB;

Aquí está el esquema, también;

(

)