Paso 5: Hay algunos ejemplos que se haga con el kit de








1. la figura de dos primeras representan el circuito real que corresponde a la estructura de la derecha. Tiene una fuente de voltaje, un interruptor, una bombilla y una resistencia. Puede utilizar diferentes resistencias.
2. este es un poco complejo modelo que la primera. Tiene dos resistencias conectadas en serie. La noria gira lentamente que la primera
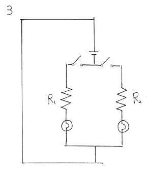
3. los dos resistores están ahora conectadas en paralelo. Apagando el interruptor, usted puede comparar con el modelo 1, que tenía una resistencia. Este modelo muestra cómo fluye la corriente a diferentes resistencias conectadas paralelo. También usando el interruptor, usted puede decir lo que puede ocurrir en circuitos reales con interruptores
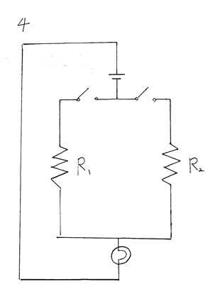
4. 4 modelo es similar a la 3 º excepto por la ubicación de la noria. Este modelo muestra la corriente total del circuito con las resistencias en paralelo.
videos correspondientes a cada uno de los circuitos son uploaded(mp4 files)














