Paso 3: Hacer una multiplexación esquemático


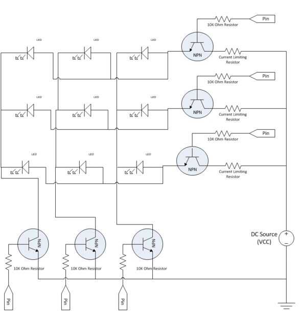
Como se puede ver en el esquema ya que las filas son el ánodo, cada fila de LEDs de ánodo están conectados entre sí. Es el mismo caso para las columnas, todos los cátodos de los LEDs están conectados.
Donde es realmente diferente de conectar un LED directamente a un pin de multiplexación es debido a cómo se controla la tierra. Si tienes un LED conectado al pin de un cátodo del LED está conectado generalmente a common ground. Con un circuito multiplexado el microcontrolador controla la disponibilidad de la tierra. Esto le permite desactivar, filas o columnas completas porque el circuito no puede completarse debido a que no hay tierra.
En cualquier caso se trata de un circuito ideal, sin embargo para el ánodo no necesariamente necesita un transistor. Si desea utilizar el microcontrolador y actual de él usted puede directamente conectar el pin al ánodo del LED. Sin embargo no es ideal porque su dibujo que corriente del microcontrolador, como dije en el paso 1 el microcontrolador tiene una corriente máxima. El ánodo no necesariamente necesita un transistor pero el cátodo debe tener uno. Necesita activar/desactivar el terreno para la multiplexación para trabajar.
La segunda imagen muestra el esquema prácticamente lo mismo que mi circuito físico que utilicé para mi ejemplo. El siguiente paso a mostrar cómo escribir su programa para la multiplexación.