La luciérnaga 555 (2 / 4 paso)

Paso 2: El circuito

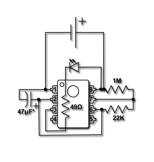
Tomar el IC 555 temporizador y doblar los cables directamente. Vamos a montar todos los componentes en los conductores. Ver el esquema para un diseño de cómo va todo. Cortar y doblar las puntas de la resistencia de 1 megohmio para que puede montarlo como se muestra entre los pines 7 y 8. Suelde la resistencia a la 555. Ahora toma el resistor de 22K y conectarlo al Pin 6 y 7 usando la misma técnica. Voltee el 555 y usando una pieza extra de plomo de las resistencias, hacer una conexión entre el Pin 2 a Pin 6. Volviendo al frente, como se muestra la forma del resistor del ohmio de 49 y conectarse dejando el otro cable hacia arriba para conectar el LED del Pin 3. Funciona de la manera el 555, la salida se mantiene alto por un tiempo basado en la resistencia de 1M más el resistor de 22K como las cargas del condensador, luego baja para un a corto plazo basado en la resistencia de 22K descarga el condensador. Para llegar a ser la mayoría del tiempo y en un rato el LED, conectar el cátodo a la salida del 555 y el ánodo a la + de la fuente. Ahora Conecte el LED entre el resistor del ohmio de 49 y el pin 8 de la 555. El condensador es el siguiente y va entre el pin 1 (-) y el Pin 2 (+). Estamos utilizando un condensador electrolítico que está polarizado. Hay una bonita raya en él identificar el cable (-). OK ahora para el valor. En el video usé un 4,7 uF una para que sea flash más rápido. Para un efecto real de la luciérnaga, utilizar un entre un 22uF y 68uF por más tiempo entre destellos. Si haces varios de estos, use condensadores de valor diferente para mezclar un poco. Ordené hacer un lote de 25 555. Por último, soldar cables cortos para grabar a las baterías. Rojo para (+) al Pin 8 y el negro para (-) al Pin 1. Antes de encender para arriba, revise tu cableado, que debe ser fácil de hacer como usted puede ver todo.

Artículos Relacionados

Prototipo de funcionamiento Lassiter quema pistola Laser de la luciérnaga!

Prototipo de funcionamiento Lassiter quema pistola Laser de la luciérnaga!

En Firefly, Mal Reynolds y su equipo tratan de un audaz robo robar Lassiter, una pistola de laser prototipo antiguo no tiene precio. Sin duda, la cosa ya no funciona, pero todavía vale una fortuna. La buena noticia para los fans de Firefly es que ust
$5 Solar, linterna luciérnaga

$5 Solar, linterna luciérnaga

esta es una manera simple/barato para agregar un poco de luz y encanto a tus favoritos salir manchas. Mi mujer dice que parecen luciérnagas capturadas colgando de nuestro patio, y tendría que estar de acuerdo. Todo lo que necesitas es un tarro de mas
Luciérnagas de hecho a mano lindo

Luciérnagas de hecho a mano lindo

continua de la libélula construí, decidí que mi próximo regalo pequeño sería una serie de tres luciérnagas poco. Éstos resultaron para ser mucho más fáciles de fabricar, aunque es cierto que son mucho menos intrincados. Sin embargo, uno de ellos pued
Luciérnagas en un frasco de

Luciérnagas en un frasco de

este es un proyecto simple que utiliza bulbos de neón NE-2 en un grupo de «osciladores de relajación.» En esencia, un circuito RC carga un condensador a una tasa determinada por un resistor y descargas la tapa aunque una lámpara de neón para empezar
Soporte para juego de mesa de la luciérnaga a mano

Soporte para juego de mesa de la luciérnaga a mano

Titular de la tarjeta para la mayoría de las cartas que conforman tu nave en Firefly. Se trata de un compañero instructable a mi anterior que describe cómo hacer un buen soporte cubierta/descarte y piezas para el juego de mesa: caso de juego de table
Frasco de luciérnagas

Frasco de luciérnagas

este proyecto utiliza superficie-Monte LED verde junto con un microcontrolador AVR ATTiny45 para simular el comportamiento de luciérnagas en un frasco.(Nota: el comportamiento de firefly en este video ha sido grandemente acelerado con el fin de ser m
Sincronización de luciérnagas

Sincronización de luciérnagas

has preguntado alguna vez ¿cómo cientos y miles de luciérnagas son capaces de sincronizar a sí mismos? ¿Cómo funciona, que son capaces de parpadear todos juntos sin tener una especie de luciérnaga de jefe?Este instructable le da una solución y muestr
Luciérnaga ilumina con luces de té de tienda de dólar

Luciérnaga ilumina con luces de té de tienda de dólar

Aquí está una manera simple de conseguir esos tema fresco Parque luciérnagas en su refugio este año. Toman unos 10 minutos para hacer y el efecto es sorprendente. Se necesita:Luces de té en una tienda de dólarcable de 1 metro CAT5 (u otro cable 24AWG
Lámpara luciérnaga

Lámpara luciérnaga

materiales:4 alambres suavesesfera poliestirenopegamentopasta de papelcolor de la piel de pinturaluces de Navidad 100 bulbosHacer el esqueleto de alambre viven los extremos libres, esfera de golpe en el cuello y tapa wirw con pasta de papel a la cint
Luciérnagas en un frasco (Steampunk versión)

Luciérnagas en un frasco (Steampunk versión)

yo estaba completamente sorprendido por el projekt de la meenzai del usuario y sus luciérnagas este gran proyecto me inspira a una versión punk de vapor.Usé el mismo circuito 20 veces y cableados junto con algunos materiales steampunkisch como un med
Luciérnagas en una botella de vino

Luciérnagas en una botella de vino

esto una modificación de luciérnagas de meenzal en un frasco de instructuble que pensé que era realmente impresionante. Hice algunos como regalos para amigos y familiares y luego quería probar algo un poco diferente. El plan era que cortan la parte i
Luciérnaga en una botella del animal doméstico

Luciérnaga en una botella del animal doméstico

las luciérnagas aquí en Wilson Carolina del norte fueron dibujadas a una linterna de LED blanco estaba saludando, así que decidí ver si podía hacer una luciérnaga de mascota para mi dulce corazón. Tengo un LED blanco barato y algunas flores falsas pa
Prototipo de luciérnagas de LED

Prototipo de luciérnagas de LED

Hola a todos, heres un intento que hice en algo así como un LED throwie...el problema (para mí) con led throwies es que sólo consumen la batería y producen una luz... pero podría ser mejores hacer dos...primero tienes que aceptar la premisa que tu di
Nuevo tarro de luciérnagas

Nuevo tarro de luciérnagas

cuando me encontré en el tarro de luciérnagas Instructable en algún momento este verano pasado, yo sabía que tenía que construirlo.  Crédito completo a Keso para un excelente conjunto de instrucciones!  Yo no habría conseguido hasta el punto de desar