La 'Jam Stand': Un portátil, custom guitarra amplificador y soporte (13 / 16 paso)

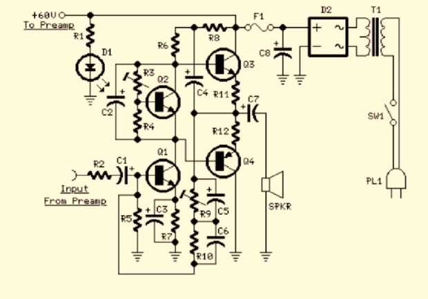
Paso 13: Construir el circuito

El circuito fue construido primero en un protoboard para encontrar cualquier problemillas y luego fabricado en un PCB después de la depuración final y la finalización del circuito.

Artículos Relacionados

Amplificador portátil para guitarra con distorsión / amplificador de bajo - 9v / IC LM386

Amplificador portátil para guitarra con distorsión / amplificador de bajo - 9v / IC LM386

este es un proyecto de amplificador de guitarra portátil realmente simple puede terminar en una tarde; con las piezas que necesita a mano.  Usé un viejo altavoz sonido surround como mi recinto y utiliza el altavoz.  La unidad también cuenta con 5 con
Amplificador portátil para Guitarra

Amplificador portátil para Guitarra

guitarras eléctricas son divertidos instrumentos para jugar y sin amplificador es difícil para cualquier persona para oír los sonidos que salen de la guitarra. Guitarras eléctricas proporcionan sonidos muy singulares en comparación con una acústica y
Otro soporte del ordenador portátil (cuaderno de para otro soporte)

Otro soporte del ordenador portátil (cuaderno de para otro soporte)

Por favor, vea una mejora en Mi notebook tiene un problemita: la pantalla parpadea un ratos (arreglado una multas de setiembre 2010, era un contacto flojo). Pero me dado cuenta de si la abro todo lo da, el defecto disminuye.Pero entonces me veo oblig
Soporte refrigerador de portátil personalizado Actobotics

Soporte refrigerador de portátil personalizado Actobotics

Hola a todosTener algunas partes de Actobotics que capaces de construir un soporte para mi portátil. También he utilizado 2 ventiladores de pc vieja asi puedo enfriar tanto como pueda mi portátil. He comprado un soporte del ordenador portátil el año
Soporte de papel del ordenador portátil, el portátil más barato soporte posible.

Soporte de papel del ordenador portátil, el portátil más barato soporte posible.

Suceder amor quake3 y algo preocupado por la durabilidad de mi MacBook.Nunca obtengo la idea de comprarlos laptop stand con fans, porque el MacBook no tiene en absoluto ningún agujero en su parte inferior. Yo pensaba que esas bolas de medio tal vez d
Hacer un soporte de ordenador portátil de cartón - la rápida y fácil manera

Hacer un soporte de ordenador portátil de cartón - la rápida y fácil manera

mi equipo de trabajo es un portátil de 17", y estaba cansado de inclinado sobre mi escritorio todo el día para usarlo. Quería un stand que sería apuntalar la pantalla del LCD del ordenador portátil a una altura más ergonómica, pero no quería gastar d
Soporte portable del ordenador portátil de tarjetas y una hoja de papel

Soporte portable del ordenador portátil de tarjetas y una hoja de papel

Mi espalda y cuello comenzada a lastimar de usar mi portátil así que decidí diseñar una laptop stand eliminar algo de la tensión. Mis necesidades: barato y portátil.¿Mi solución? Hacer un stand de una hoja de papel y tarjetas de visita.Paso 1: Lo que
Soporte de Sierra de cinta Metal portátil

Soporte de Sierra de cinta Metal portátil

Este Instrucatable mostrará el stand construido portátil Sierra de cinta metal incluyendo las herramientas y piezas usadas.Paso 1: Las herramientas y MatieralsHerramientasPortátil Sierra de cinta - sierra de cinta metal MilwaukeeAmoladoraArchivoSierr
Guitarra amp tilt stand - fácil como Lincoln Logs - pequeño, portátil, simple, estable, barato o gratis.

Guitarra amp tilt stand - fácil como Lincoln Logs - pequeño, portátil, simple, estable, barato o gratis.

Soporte de inclinación amp de guitarra - fácil como registros de lincoln. pequeño, portátil, simple, estable, barato o libre con madera de desecho. Gran para amplificadores combo, diseño más grande se puede utilizar para espalda abierta.Paso 1: ¿he d
Tarro de masón portátil de altavoces y amplificador de guitarra

Tarro de masón portátil de altavoces y amplificador de guitarra

Seamos realistas: los altavoces en su teléfono y el portátil no lo suficientemente alto. Así que coge un tarro de masón altavoz KIT de basura amperios (www.trashamps.com) y un tarro de masón altavoz para reproducir música desde tu smartphone, tablet
Hacer un amplificador de guitarra portátil dulce

Hacer un amplificador de guitarra portátil dulce

Inspirado por goma de mascar!La inspiración para este proyecto fue en realidad doble. En primer lugar, necesitaba hacer un amplificador de guitarra simple y portátil que funcionaría con una guitarra bajo eléctrica así como una cadena de seis acústica
Soporte de amplificador de guitarra portátil

Soporte de amplificador de guitarra portátil

En este instructable, voy a mostrarle cómo construir un agradable poco retroceso amp soporte de para tu amplificador de guitarra o un bajo o un teclado que te costará literalmente entre $15 y nada.Como músico ejecutante regular, soy muy exigente cuan
Stand portátil Kayak

Stand portátil Kayak

Stand portátil de kayakNecesitaba un soporte portátil kayak para mostrar mi kayak en un evento. La decisión fue tomada con los siguientes objetivos en mente.1. baratos2. todo tenía que estar disponible en Walmart. Desde que puse este proyecto en el ú
Cartón ejercicio bicicleta portátil Stand

Cartón ejercicio bicicleta portátil Stand

navegar por las interwebs y obtener su bombeo del corazón. Coloque su computadora portátil en su bicicleta.  ¿Usted puede comprar lasercut, termoformado y soportes de plástico caros su propio modelo de plástico, uso valores de barra de metal para con