Paso 4: Configuración del Hardware





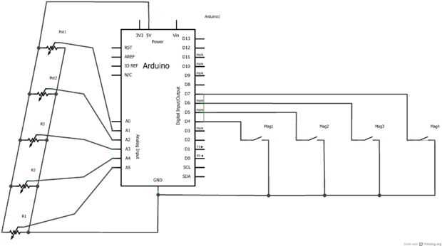
Cada cocina es diferente y por lo tanto es mejor elaborar un esquema sencillo de la cocina que está destinado a ser utilizado. Es posible convertir casi cualquier cosa en algún tipo de entrada para la cocina polifónica. Armarios, cajones, perillas, interruptores, nada realmente,,, una vez que se decida un esquema es una especie endémica que cocina puede utilizar el código de arduino como un modelo inicial en todas estas entradas en transformación que va a hacer todo de la reproducción de audio. Este prototipo fue presentado en un salón de clases y por lo tanto, se utilizó un modelo para simular una interfaz de cocina. Si usted está interesado en recrear este modelo, usted puede seguir estos esquemas más de cerca, de lo contrario se espera un aumento.
Alambre de todo. Asegúrese de que las clavijas estén en los lugares correctos. Si pines diferentes son usados o incluso diferentes sensores, el código de arduino (en el paso 5) debe actualizarse para reflejar esos cambios. Una vez que está programado el arduino será necesario permanecer conectado a la computadora mediante el puerto serie para comunicarse con el proceso.