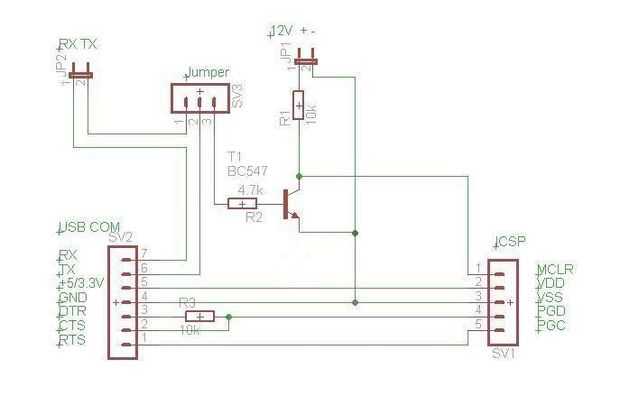
Paso 1: El circuito


Este simple circuito funcionará con el software del programador libre PICPgm
selección de operar como un programador JDM.
Compruebe hacia fuera el el increíble número de dispositivos compatibles y el software está disponible para Windows, Mac OS y Linux.
El segundo circuito hace USB com un programador y un cable serial estándar.