Paso 3: piezas
















Nombre: IC1
Descripción: Microcontrolador (preprogramado cuando compró en un kit)
# De parte: ATTINY85V-10-PU http://www.atmel.com/dyn/resources/prod_documents/doc2586.pdf
Distribuidor: Mouser, Digikey (sin programar, por supuesto)
Qty: 1
http://www.Mouser.com/search/productdetail.aspx?R=ATTINY85V-10PUvirtualkey55650000virtualkey556-ATTINY85V10PU
http://Search.digikey.com/scripts/DkSearch/dksus.dll?detail?Name=ATTINY85V-10PU-ND
Nombre: IC1'
Descripción: zócalo de 8 pines
# De parte: Genérico
Distribuidor: Mouser, Digikey
Qty: 1
http://www.Mouser.com/search/productdetail.aspx?R=1-390261-2virtualkey57100000virtualkey571-1-390261-2
http://Search.digikey.com/scripts/DkSearch/dksus.dll?detail?Name=3M5473-ND
Nombre: XTL1
Descripción: oscilador cerámico de 8,00 MHz. También puede ser azul.
# De parte: ZTT-8.00MT o equivalient http://www.ecsxtal.com/store/pdf/ZTT.pdf
Distribuidor: Digikey, Mouser
Qty: 1
http://Search.digikey.com/scripts/DkSearch/dksus.dll?detail?Name=X905-ND
http://www.Mouser.com/search/productdetail.aspx?R=ZTT-8.00MTvirtualkey59070000virtualkey520-ZTT800MT
Nombre: C2
Descripción: condensador 100uF/10V
# De parte: Genérico
Distribuidor: Digikey, Mouser
Qty: 1
http://www.digikey.com/scripts/DkSearch/dksus.dll?detail?Name=P963-ND
http://www.Mouser.com/search/productdetail.aspx?R=140-XRL10V100-RCvirtualkey21980000virtualkey140-XRL10V100-RC
Nombre: C1
Descripción: Condensador de cerámica 0.1uF (104)
# De parte: Genérico
Distribuidor: Digikey, Mouser
Qty: 1
http://www.digikey.com/scripts/DkSearch/dksus.dll?detail?Name=BC1160CT-ND
http://www.Mouser.com/search/productdetail.aspx?R=C410C104K5R5TA7200virtualkey64600000virtualkey80-C410C104K5R-TR
Nombre: R1-R4
Descripción: resistencia 47 ohmios 1/4W de 5% (amarillo violeta negro dorado)
# De parte: Genérico
Distribuidor:
Qty: 4
Nombre: R5
Descripción: 1.0Kohm 1/4W 5% resistor (marrón negro rojo oro)
# De parte: Genérico
Distribuidor:
Qty: 1
Nombre: LED2, LED3
Descripción: Estrecho Haz IR LED. Éstos tienen un tinte azulado.
# De parte: Everlight IR333-A http://www.mouser.com/search/ProductDetail.aspx?R=EL-IR333-Avirtualkey63810000virtualkey638-IR333-A
Distribuidor: Mouser
Qty: 2
http://www.Mouser.com/search/productdetail.aspx?R=el-IR333-Avirtualkey63810000virtualkey638-IR333-A
Nombre: LED1, LED4
Descripción: Ancho de la viga LED IR
# De parte: Everlight IR333C/H0/L10 http://www.everlight.com/pdf/IR333C-H0-L10.pdf
Distribuidor: Mouser
Qty: 2
http://www.Mouser.com/search/productdetail.aspx?R=IR333C%2fH0%2fL10virtualkey63810000virtualkey638-IR333C%2fH0%2fL10
Nombre: LED5
Descripción: 3 mm LED
# De parte: Genérico
Distribuidor: Digikey, Mouser
Qty: 1
http://www.digikey.com/scripts/DkSearch/dksus.dll?detail?Name=160-1710-ND
http://www.Mouser.com/search/productdetail.aspx?R=LTL-1CHGvirtualkey57820000virtualkey859-LTL-1CHG
Nombre: SW1
Descripción: 6 mm tacto interruptor de botón
# De parte: OMRON B3F-1000 (o equivalente) http://oeiwcsnts1.omron.com/ocb_pdfcatal.nsf/PDFLookupByUniqueID/E295D1F4221B13C186256FC70058AC0A/ $File/D22B3F0305.pdf?OpenElement
Distribuidor: Digikey, Mouser
Qty: 1
http://www.digikey.com/scripts/DkSearch/dksus.dll?detail?Name=SW400-ND
http://www.Mouser.com/search/productdetail.aspx?R=B3F-1000virtualkey65300000virtualkey653-B3F-1000
Nombre: Q1 Q2 Q3 Q4
Descripción: Transistor NPN (a-92) que es pin compatible con 2N3904
# De parte: PN2222 http://www.fairchildsemi.com/ds/PN%2FPN2222.pdf
Distribuidor: Mouser, Digikey
Qty: 4
http://www.Mouser.com/search/productdetail.aspx?QS=UMEuL5FsraBJOIjLOc%2ftCA%3D%3D
http://Search.digikey.com/scripts/DkSearch/dksus.dll?detail?Name=PN2222AFS-ND
Nombre: JP2
Descripción: jefe de caja del pin 10
# De parte:
Distribuidor: Mouser, Digikey
Qty: 1
http://www.Mouser.com/search/productdetail.aspx?R=30310-6002HBvirtualkey51750000virtualkey517-30310-6002
http://www.digikey.com/scripts/DkSearch/dksus.dll?detail?Name=HRP10H-ND
Nombre: BATT
Descripción: 2 x soporte de pilas AA
# De parte: Genérico
Distribuidor: Digikey, Mouser
Qty: 1
http://www.digikey.com/scripts/DkSearch/dksus.dll?detail?Name=2463K-ND
http://www.Mouser.com/search/productdetail.aspx?R=12BH321A-GRvirtualkey56100000virtualkey12BH321A-gr
Nombre: PCB
Descripción: Placa de circuito
# De parte:
Distribuidor: Adafruit Industries
Qty: 1
http://www.Adafruit.com/
v1.1 manual de reparacion
Si tienes un PCB negro con v1.1 en él

Tenga en cuenta que el microcontrolador debe ser programado con el firmware v1.1.
Cualquier transistor de NPN que es pin compatible con el 3904 debe estar bien.
Utiliza LEDs de infrarrojos de 940nm.
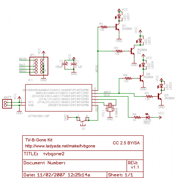
v1.0 esquema
Si tienes un PCB verde con v1.0 en él

Tenga en cuenta que el microcontrolador debe ser programado con el firmware.
Cualquier transistor de NPN que es pin compatible con el 3904 debe estar bien.
Utiliza LEDs de infrarrojos de 940nm.