Kaosduino: Crear tu propio kaosillitaor (1 / 8 paso)

Paso 1: Componentes y herramientas necesarias

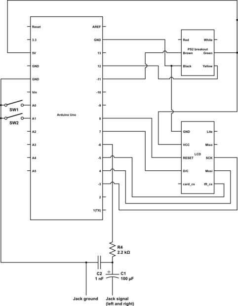
Se necesitan los siguientes componentes:

  • Trackpad de Adafruit.
  • Escudo de prototipos.
  • Pines
  • Desbloqueo PS2 de Adafruit (esto no es necesario sólo simplifica el proceso).
  • Placa de Arduino uno.
  • Pantalla LCD de Adafruit. (Sinceramente dejaría este paso, ya que la velocidad de actualización de la pantalla es algo lenta y es sólo un bonito que haya).
  • Escudo de sintetizador casero basado en el sintetizador siguiente instructable.
  • Caja de madera (yo tengo la mía desde el almacén de contenedores en SF).
  • Placa de acrílico.
  • Dos botones.
  • Cable.

Para el escudo de sintetizador necesitarás:

  • Escudo de prototipos.
  • Prender las cabeceras (los apilable).
  • Cables de
  • 2.2K Resistor
  • Capacitor de 100N
  • Condensador de 100U

La electrónica se puede hacer con herramientas básicas de soldaduras. El recinto se realizó con un láser de corte algunos acrílicos y un drillpress para hacer agujeros en la caja de madera.

Artículos Relacionados

Crear tu propio Top-Down persianas

Crear tu propio Top-Down persianas

crear persianas de arriba hacia abajo por una fracción del costo de la orden especial persianas!Paso 1: Preparando ¿Por qué crear tus propio Top-Down persianas?Mis razones son simples. Vivo en un apartamento. Es vivienda temporal, y por lo tanto no q
Cómo crear tu propio curso de Golf miniatura

Cómo crear tu propio curso de Golf miniatura

En este DIY su propio curso de Golf de instrucción, se estar guiándolo a crear su propio curso de golf miniatura, basado en nuestro curso de golf miniatura (hecho en la escuela).Este proyecto tiene un montón de materiales que son necesarios si usted
Crear su propio cepillo limpieza contenedor de pintura

Crear su propio cepillo limpieza contenedor de pintura

crear tu propio pincel limpieza contenedor barato para hacer limpieza y cepillos de limpieza de su pintura tras pintura mucho más fácil!Paso 1: Reúna sus materiales. Recoger sus materiales:• Había reciclado tarro/envase con tapa tapa sellable.• Colad
Crear tu propio aumentada Reality(AR)

Crear tu propio aumentada Reality(AR)

Hola chicos, soy nuevo con 8 Instructable. En la tecnología. Esta vez estoy jugando con Reality(AR) aumentada. Este proyecto está inspirado en "Aumentada realidad Mario" por Kamibox. Me encanta este Instructable y ahora les dejo mi propio!Realit
Cómo a crear tu propio Anime como Dragon Ball Z o Bleach, Etc.

Cómo a crear tu propio Anime como Dragon Ball Z o Bleach, Etc.

en este instructable, le mostraré cómo crear tu propio anime. Por ejemplo. Naruto, bleach etc..Así que preste mucha atención y seguir mi ejemplo!! : DPaso 1: La planificación Para crear un anime exitoso tienes que tener un montón de planificación hiz
Crear su propio sistema operativo.

Crear su propio sistema operativo.

Casi todos geek ordenador verdadero tiene, en algún momento, quería escribir un sistema operativo. Sin embargo, escribir un kernel y otros lleva años de estudio, experiencia y paciencia. Si desea mantener su cordura, el mejor curso de acción es utili
Crear tu propio e-líquido

Crear tu propio e-líquido

A continuación da información acerca de cómo crear e-líquido sabores, ahorrar dinero y darle las herramientas para crear tus propios sabores únicos. Con un poco de tiempo y experimentación puede crear sabores que son impresionantes para vape y usted
Crear tu propio sitio web gratis en 2 minutos!!!!

Crear tu propio sitio web gratis en 2 minutos!!!!

Crear tu propio sitio web gratis en 2 minutos con bloggerPaso 1: Debe ver este videoPaso 1: visite www.blogger.comPaso 2: Haga clic en nuevo blogPaso 3: Introduzca el título de tu blog o sitio webPaso 4: Ingrese su nuevo sitio web y compruebe que est
Crear su propio orden de marcha a paso fácil

Crear su propio orden de marcha a paso fácil

aquí voy a mostrar cómo puede crear su propio orden de marcha en el sistema operativo windows. Realmente esta característica en windows es grande lo que es útil para abrir la ventana de la aplicación al instante. Así que ahora usted también puede cre
Crear tu propio videojuego 2D!

Crear tu propio videojuego 2D!

Muy bien, así si tu nada, como yo, probablemente siempre soñaste de crear tu propio videojuego. Se sorprenderá lo fácil que es realmente para comenzar. Espero poder explicarlo para que todo el mundo desde principiante absoluto a un programador experi
Crear tus propios tonos de iPhone

Crear tus propios tonos de iPhone

aquí es cómo crear tus propios tonos de iPhone con GarageBand y iTunes.Paso 1: Elementos necesariosiPhoneiTunesMac con GarageBand programaPaso 2: Abre GarageBand en MacPaso 3: Haga clic en iPhone tono de llamadaPaso 4: Haga doble clic en el tono de l
Crear tu propio corazón único favorito

Crear tu propio corazón único favorito

si desea crear su propio favorito lindo y único, aquí están los sencillos pasos a seguir. Se trata de un marcador en forma de corazón de origami. Todo lo que necesitas es papel, una tijera y un poco pacientes (menos de 10 minutos).Los pasos enumerado
Cómo crear tus propios comandos con lote

Cómo crear tus propios comandos con lote

--EDIT1--Corregir información incorrecta en el paso 2 (para ver con limitaciones con parámetros).--MODIFÍCALOS2--Ha añadido un par de líneas sobre un instalador automático en el paso 4.Este instructable cubrirá los fundamentos de crear tus propios co
Crear tu propio arte Pop

Crear tu propio arte Pop

Aprende a crear tu propio "pop art" con Picasa.Paso 1: Paso 1 - requisitos Se requiere:1. Picasa 3.0.1.321 o superiorSi ya no tienes Picasa se puede descargar desde http://picasa.google.com2. una imagen clara de ti mismo3 cualquier otra imagen q