Paso 6: El Hardware parte III: Traductor basado en un Arduino



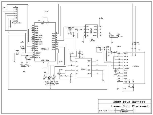
Aquí está cómo funciona. compuesto señales de TV son todos tiempo basado y entrelazado. Usé un decodificador NTSC LM1881 a AVR si estuviéramos en una línea de pares o impar, así como cuando se produjeron el Hsync y Vsync. Para los que no electrónicamente inclinado, solía el LM1881 me dan un índice de donde conseguíamos la información del cuadro de. El láser es filtrado por U1, que yo sólo estoy comparando a la tensión en el limpiaparabrisas de R3 para recoger el primer píxel de pantalla brillante para pasar mi umbral manual. Que se trata de nuestro láser. El AVR toma esto como una interrupción y recuerda el tiempo de la última Hsync divulgado. Hemos estado contando líneas verticales desde el Vsync, así que ahora tenemos una posición exacta (bueno, +-de cuarto de pulgada). ¿Interesado en la fuente? Aquí está:
http://www.GDN.net/~dbarr/Daily/Pirates.PDE
El producto final de esta placa debe registrarse como un puerto serie a 115200 y manivela a 2 bytes (X e Y) cada vez que ve un pixel lo suficientemente brillante para ser considerado un láser. Se establece el umbral con R3.
Otras imágenes de este paso ilustran información de señal de vídeo compuesto NTSC y una imagen de la PCB final.