Jeep de paseo en la segadora con motor de gasolina (gasolina) (5 / 13 paso)

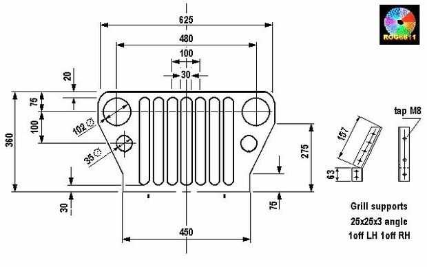
Paso 5: parrilla

La forma se corta de 1/2" madera contrachapada marina que entonces se cubre en la hoja de aluminio de 1/2 mm esto fue cortado y estampado alrededor de la madera antigua.
Los soportes fueron hechos para montarlo en el parachoques delantero.

Artículos Relacionados

Robot Scara DIY brazo robótico sorteo marco con Motor paso a paso 2

Robot Scara DIY brazo robótico sorteo marco con Motor paso a paso 2

Brazo Robot Scara bricolaje robótico dibujar con Motor paso a paso 2Materiales:1 pieza de 57 mm motor de pasos de 1,8 grados1 PC 42 mm motor de pasos de 1,8 grados90 x 90 mm 20 mm base de la aleación de aluminio de PC 11 PC de aluminio de la aleación
Generador con motor

Generador con motor

Hola amigos soy Ajay G de Banjarapalya E4D makerspace.Si alguien quiere hacer este generador de juguete con motor es hasta fácil.Materialestablero de maderaRubberbendsBulbe de IEDalgunos viejos cDPajitasBarra de MatelMotorCables dePieza de maderaDe u
Globo con motor coche juguete

Globo con motor coche juguete

en este instructable, te enseñaré cómo hacer un sencillo y emocionante globo auto con motor de juguete. Son diversión a competir o simplemente jugar con.Paso 1: materiales Para construir el coche, usted necesita una pistola de pegamento caliente, coc
Cómo hacer un auto con motor de goma

Cómo hacer un auto con motor de goma

en este video muestro cómo hacer un auto con motor de gomaCuando yo estaba en el Colegio mi grupo estaba obligado a hacer un vehículo accionado solamente por una banda de caucho. Este fue el diseño que se eligió para nuestro grupo. Terminó superando
Motor de jet con motor Go-Kart

Motor de jet con motor Go-Kart

Estas son instrucciones para los componentes básicos de la construcción de un kart en el que montar un motor, en este caso utilicé un motor jet de miniatura que había creado previamente, y por lo tanto esas instrucciones no se incluirán en esta, sino
Sierra de mesa Circular Mini casera PCB madera bricolaje cortadora con Motor taladro

Sierra de mesa Circular Mini casera PCB madera bricolaje cortadora con Motor taladro

Sierra de mesa Circular Mini casera PCB madera bricolaje cortadora con Motor taladroUna de las herramientas más importantes en hecho a mano o bricolaje amateur son mini Sierra de mesa y prensa taladro. Ya que no tengo un taller y no estoy acostumbrad
Construir avión RC con Motor de CD Rom (motor sin cepillo); primer intento!!

Construir avión RC con Motor de CD Rom (motor sin cepillo); primer intento!!

Hola!voy a mostrar mi primer intento para construir un avión rc con motor de CD-Rom!!!!!!porque el Motor de CD Rom en un pequeño motor sin escobillas, por lo que podemos utilizar con nuestro ESC!!!así que aquí el video completo de la construcción y t
Inalámbrico de Robo-coche con motor de servo 360 °

Inalámbrico de Robo-coche con motor de servo 360 °

robot coche smart con motor de servo de rotación continua de 360 grados.Paso 1: componentes Paso 2: dar pasos Paso 3: prototipo Paso 4: sistema de comunicación inalámbrica - zigbee Paso 5: programa #include < Servo.h >///////////////////////////// K
DIY Robot brazo robótico impresora 3D Plotter dibujar marco casero con Motor paso a paso 2

DIY Robot brazo robótico impresora 3D Plotter dibujar marco casero con Motor paso a paso 2

DIY Robot brazo robótico impresora 3D Plotter dibujar marco casero con Motor paso a paso 22 PC paso a paso Motor montaje L soporte de montaje para Motor paso a paso 571 PC de aluminio aleación 90 x 12 mm 250 mm2 PC paso a paso motor 1.8 degrees4 de 5
DIY Robot brazo robótico sorteo marco casero con Motor paso a paso 2

DIY Robot brazo robótico sorteo marco casero con Motor paso a paso 2

Brazo Robot DIY robótica dibujar marco casero con Motor paso a paso 2Materiales:2 piezas 57 mm motor de pasos de 1,8 grados4 PC FL08 2 perno 8mm diámetro autoalineador cojinete de bolas de bridas2 piezas de aluminio aleación 22 x 12 mm 150 mm1 pieza
Drift Trike con motor

Drift Trike con motor

Hola, este es mi primer Instructable para ir fácil en mí!He estado buscando en Drift Trikes por un tiempo desde que la escena de Estados Unidos en una sesión de Pinterest al azar (véase mi colección http://pin.it/8zGFnXD aquí).Finalmente decidió cons
SudsCycle: Una bicicleta con motor lavadora (prototipo 1.0)

SudsCycle: Una bicicleta con motor lavadora (prototipo 1.0)

Hice esto como proyecto final para mi clase de diseño sostenible como una manera de potenciar las decisiones sostenibles en una situación apartamento o dormitorio donde muchas zonas típicas de decisiones ambientales (tales como ajustes del termostato
Cohete casero con motor y combustible de cohete

Cohete casero con motor y combustible de cohete

me gusta y disfrutar de cohete de estes, y decidí hacer uno yo mismo.También hice el combustible y el motor. Todo se hace de los materiales puede obtener fácilmente o incluso en tu casa ahora mismo.Pueden ir hasta 300 metros (1.000 pies) en este comb
Patín eléctrico con motores en la rueda

Patín eléctrico con motores en la rueda

Paso 1: Reunir piezas Tener en cuenta que esta versión sigue siendo WIP (Work in Progress)Para hacer esta versión que necesita:-Un cubo de la rueda en los motores kit completo, que contiene las siguientes partes:-Motor del eje por lo menos 1 en la ru