Paso 1: transmisor



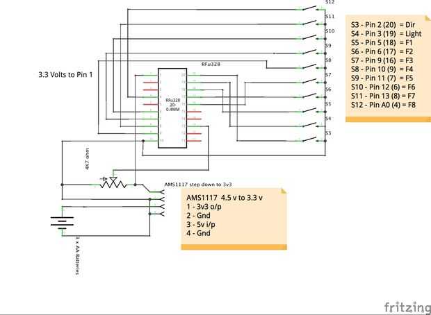
Se adjunta el esquema del circuito.
Componentes utilizados:
RFu328 Arduino / módulo sin hilos de SRF: £16 (inalámbrica cosas Ltd)
AMS1117 paso de 4, 5V a 3.3v: £2,55 (ebay)
Botones pulsadores (NO momentáneas) 10: £10,62 por paquete de 10 de Farnell
Potenciómetro 4k 7
3 baterías de x AA
Encendido/apagado interruptor y LED
Costo total de componentes para el transmisor, incluyendo la caja, aproximadamente £40
Se adjunta el código de Arduino.
send_dcc_via_rf_to_loco_jun2016.ino