Jammer RF (3 / 5 paso)

Paso 3: Diagramas y código

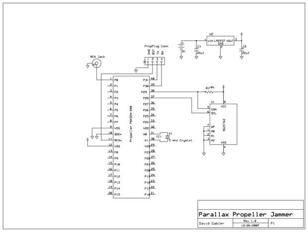
Aquí está el circuito diagrama y código fuente.
Usted puede leer el archivo SCH con http://www.expresspcb.com/ExpressPCBHtm/Free_cad_software.htm
El código fuente (archivos .spin) son objetos de propulsor de la paralaje

El código fuente original se utiliza en este proyecto fue escrito por Beau Schwabe. Su intención no era para fines de jamming pero para controlar un coche de juguete RC había recibido su hijo.

Artículos Relacionados

Máquina de Arcade JAMMA mini

Máquina de Arcade JAMMA mini

La codiciada máquina Neo Geo MVS es uno los mejores arcade gabinetes hechos siempre. Más entusiastas de videojuegos saltaría en la oportunidad de poseer una máquina original. Sin embargo, la tasas de una máquina de ranura 4 real pueden ser intimidant
Cómo crear su señal Jammer

Cómo crear su señal Jammer

por un tiempo largo largo mucha gente buscaba esta receta fresca de hacer algo interesante por sí mismo. Y uno de ellos era hasta los últimos días. En mi búsqueda me topé con el blog de la Tienda de Jammer post llamado cómo para hacer su teléfono cel
Jammer de RC de bolsillo

Jammer de RC de bolsillo

Esto es sólo un escaparate por ahora, pero si suficiente gente realmente lo quiere, puedo hacer un tutorial.Este dispositivo bloquea la banda de 27MHz, que es utilizada por los coches, Drones, aviones y barcos de Radio Control (RC). Atasca la banda c
IR Control remoto Jammer

IR Control remoto Jammer

haz tu propio Kit de Jammer IR aquí.Buscar en la página del proyecto de emisión IR aquí.El IR Jammer es un divertido proyecto que proporciona un poco de diversión segura y no destructiva. El Jammer infrarrojo del Control remoto le permite inutilizar
Tic-Tac TV remoto Jammer

Tic-Tac TV remoto Jammer

Ese momento usted tomar sus ojos de la TV remota durante un segundo, debido a que cae en las manos de su hermano molesto. Sí, lucha por el control del televisor es una lucha diaria para muchos. Pero el Jammer de TV remota se muestra en este Instructa
Modificar un portátil barato celular Jammer

Modificar un portátil barato celular Jammer

este instructable va a mostrar un proceso rápido que te permitirá convertir un barato celular portátil jammer de chino frecuencia (creo) sobre a americano o de la frecuencia de otras regiones.Específicamente este modelo de dealextreme.com:http://www.
¿Destruir cualquier dispositivo con EMP Jammer

¿Destruir cualquier dispositivo con EMP Jammer

imaginar que tienen poderes para detener cualquier dispositivo electrónico, sólo es posible en las películas?bueno aquí es la manera de hacer un jammer de emp (pulso electromagnético jammer)Este dispositivo envía amplitudes altas de emp para destruir
Proyecto de electrónica simple--Infrarrojos Jammer

Proyecto de electrónica simple--Infrarrojos Jammer

este poco instructivo deberá mostrar cómo crear un simple dispositivo de interferencia de infrarrojos que podría ser utilizado para muchas horas de TV bromas.Paso 1: Jammer infrarrojo - lista de piezas Para este proyecto se necesita:Potenciometro de
Doctor Who destornillador Sonic WiFi Jammer

Doctor Who destornillador Sonic WiFi Jammer

Así que siendo un gran fan de Doctor Who tenía una idea de construir un destornillador sonic que era también un jammer de wifi. Así que en este video hice uno con ninguna real planificación sólo usando 3 antorchas baratos fuera de ebay y componiendo
EMP / jammer de ionizador de coche de 12v de la red!!!!!! menores de 5$

EMP / jammer de ionizador de coche de 12v de la red!!!!!! menores de 5$

Hey es posible construir un jammer de emp del ionizador de coche de 12 vjammer de EMP es un dispositivo que puede intrrupt el normal funcionamiento de cualquier dispositivo electrónico cuando jammer emp se coloca cercaSi quieres ver cómo funciona ver
Cómo engañar a tus amigos con un Jammer remoto TV

Cómo engañar a tus amigos con un Jammer remoto TV

Hola!En primer lugar muchas gracias por leer mi instrcutable. Como todos sabemos que el control remoto de TV es la causa de peleas entre nosotros y nuestros hermanos (especialmente los más jóvenes). Por lo tanto, era mi caso. Yo y mi hermana menor tu
Instalar un arnés JAMMA en un gabinete de la arcada

Instalar un arnés JAMMA en un gabinete de la arcada

tengo una arcade de la máquina en un gabinete que no funciona.Tengo otra junta, pero no coincide con los pernos - me di cuenta de que necesitaba para reemplazar los cables.Compré un arnés JAMMA, pero todo estaba en chino.Aquí es cómo embrolló a travé
Suéter de Navidad feo Jamm'n

Suéter de Navidad feo Jamm'n

En este proyecto vamos a trabajar para utilizar el LinkItOne para producir un feo suéter de Navidad que se enciende y también reproducir la música.¡ Disfrute!Apoyo la punta de la canal con bitcoinsDirección: 1MvcZHRbDm9czS8s776iutBBPJ39K4PEHhSígueme
WiFi Jammer

WiFi Jammer

En este video le mostrará cómo construir un jammer de wifi que funciona en el 2, 4GHz espectro. Yo he simplificado el diseño para hacerlo más fácil de seguir y construir. Ahora es alimentado por una batería extraíble que puede ser extraída y cargada.