IR Control remoto Jammer (3 / 3 paso)

Paso 3: IR Jammer esquema

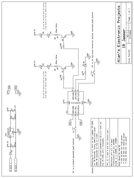
Si desea hacer su propio diseño de Junta ver el esquema aquí o comprar un tablero de emisión IR pelado si quieres construir tu propia con sus propios componentes.

Artículos Relacionados

Tic-Tac TV remoto Jammer

Tic-Tac TV remoto Jammer

Ese momento usted tomar sus ojos de la TV remota durante un segundo, debido a que cae en las manos de su hermano molesto. Sí, lucha por el control del televisor es una lucha diaria para muchos. Pero el Jammer de TV remota se muestra en este Instructa
TV remoto Jammer

TV remoto Jammer

como, todos sabemos que el control remoto de TV es la causa de peleas entre nosotros y nuestros hermanos (especialmente los más jóvenes). Por lo tanto, era mi caso. Me decidí a broma a mis familiares haciendo el remota jammer. Ible original de kipkay
LinkIT uno bloqueador de control remoto

LinkIT uno bloqueador de control remoto

Este es mi primer instructable y voy a mostrarte cómo diseñar un jammer remoto IR. Este es un proyecto genial broma si quieres broma a alguien. Este proyecto funciona capturando el código desde su control remoto y luego retransmitir el código varias
Fácil IR remoto Jammer

Fácil IR remoto Jammer

¿cómo hacer un jammer remoto infrarrojo con no soldar sin LED y no electrónica experiencia necesaria? Con cinta negra por supuesto!Paso 1: materiales Mando TV IR 1 (o más si desea bloquear múltiples mandos a distancia)1 rollo de cinta aislante negrag
Control de tus electrodomésticos con control remoto de TV!!

Control de tus electrodomésticos con control remoto de TV!!

Ver el proyecto salida vídeo aquí.He encontrado que algunas personas son muy perezosos para levantarse ir a la Junta y pulse el interruptor para encender la luz o ventilador o cualquier otro aparato pero Hey!, ahora hay una solución más fácil. Ahora
Papel avión-TV mando a distancia con control remoto

Papel avión-TV mando a distancia con control remoto

Crear un avión de papel controlada remota controlado por televisor medio remoto. Super divertido y barato para hacer!Paso 1: Para el paso 1, usted debe obtener todos los materiales: una pequeña li-poli batería (3,7 voltios), un trozo de PCB, motor el
Control remoto de lámpara de tela

Control remoto de lámpara de tela

Lo tackiest... ocupa una planta de flor de Pascua que "ganó" en la fiesta fiesta Yankee Swap en diciembre. Todavía tengo la planta, tiene gran hacer, pero relevó del cubo horrible estaba sentado en. Era tan feo, que no quería fotografiarla como
Lámpara estrella de la muerte IKEA con control remoto

Lámpara estrella de la muerte IKEA con control remoto

Siendo Ingeniero yo no pude resistir añadir control remoto a esta lámpara extensible manualmente que vi en IKEA, sin importar el costo. En este proyecto he reemplazado la cadena tire con varilla roscada M3 y motor de la C.C., agrega un microcontrolad
Piratear un timbre inalámbrico interruptor de control remoto

Piratear un timbre inalámbrico interruptor de control remoto

Hace algún tiempo he querido construir un interruptor remoto, propósito principal – fuegos artificiales encendido (o tareas similares). Sin embargo, quería crear un RF remoto sin el uso de microcontroladores, si es posible modificar un dispositivo ex
RGB Led con control remoto TV

RGB Led con control remoto TV

INTRODUCCIÓNProyecto de control remoto por infrarrojos es uno de los proyectos populares para los amantes del arduino. Estamos aquí hablando de la tv remotas. Hay varios botón del remoto de la tv que no se utilizan. También si podemos hacer esta tv r
Fijación no trabajo botones de Control remoto

Fijación no trabajo botones de Control remoto

Botones del control remoto tienen una fina capa conductora por debajo. Como pasa el tiempo esta capa puede dañarse debido a la fricción y conductividad suelto. Como resultado, aunque las baterías están llenas y aplicar grandes presiones sobre el botó
Como probar tu Control remoto.

Como probar tu Control remoto.

Control remoto a rayos infrarrojos son dispositivos que envían pulsos codificados digitalmente de radiación infrarroja.Invisible para el ojo desnudo, pero no se aplica a la cámara.
Control remoto de osito

Control remoto de osito

el mando de oso de peluche se sienta muy bien en tu sofá o cama y puede utilizarse para controlar su iPod o computadora. Es una linda modificación a un mando a distancia RF y es sorprendentemente suave. El proyecto es difícil de hacer y requiere muy
Control remoto cañón del confeti

Control remoto cañón del confeti

Cañones de confeti son un montón de diversión. Una explosión de confeti puede hacer que cualquier celebración mejor. Pero no siempre es conveniente tener a alguien junto al cañón fijado apagado. Así que hoy voy a mostrarte cómo hacer un cañón de conf