Paso 9: Apéndice - ampliando el circuito.


Cuando se presiona S1, Q1 se polariza y la corriente fluye a través de D1(LED1). Presionando S2 ahora, no habrá suficiente corriente a polarizar la Q2, ya que la corriente está siendo drenada por Q1 y D1(LED1).
Por eso, sólo un LED puede ser activado, se desactiva la otra.
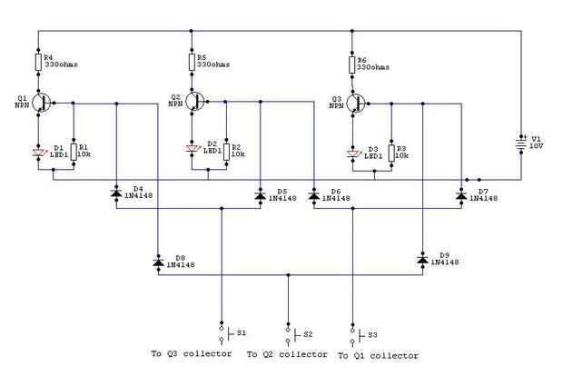
Para añadir otro conjunto de luces, cada interruptor solo tendría que deshabilitar los otros dos. Vea la figura 2.
En el segundo circuito, pulsando un interruptor, se encenderán dos LEDs, y nada cambia si se presionan los demás switches. Por lo que la salida sería:
Prensa: - luces:
S1 - 1, 2
S2 - 1, 3
S3 - 2, 3
No estoy seguro si es la mejor manera de hacerlo, porque después sería necesario descifrar y puertas.
Si alguien tiene una idea mejor por favor comentario.
PS: Por favor califica este instructable si te gusta. Gracias