Paso 2: Cortar el tablero






Corte la madera al tamaño adecuado, todo que se divierte mejor.
I utiliza un cuchillo para cortar el tablero y ajusta el resto con la mano. La cuchilla ayuda a la Junta para desde el lugar correcto.
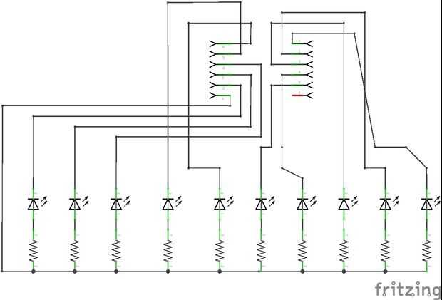
Prueba el led y el resistor a la Junta.
Ver la última foto de las conexiones.
El led de ánodo común compartido, bruja significa que cuando la salida es baja el led se ilumina.
Mediante este método que podemos asegurar que no hay especias de voltaje pueden golpear la tabla desde lo LED es en la dirección contraria y no permita que nada a través de él. Al igual que haría un diodo.