Paso 1: Diseñar el oscilador



Hay muchos circuitos de oscilador para elegir en línea. Después de la
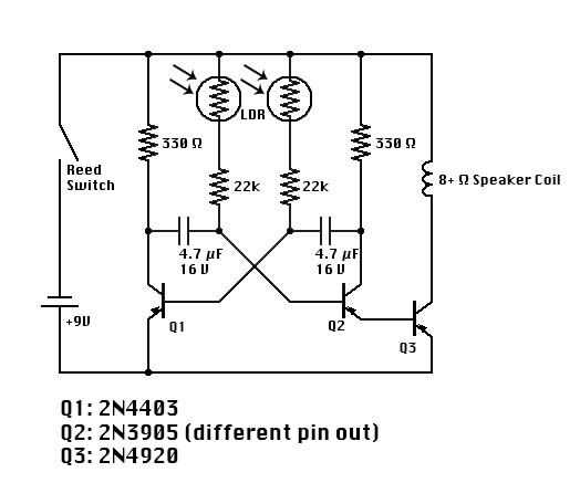
busca en una gran variedad, sentí que el más fácil y más "orgánico" eran el multivibrador Astable. Este circuito puede ser creado con resistencias simétricas o asimétrica, resultando en anchuras de pulso ligeramente diferentes, según el "lado" del circuito está tomando su salida.
Los componentes de este circuito que elegí son:
Qty: artículo:
x1 transistor pnp 2N4403
x1 transistor pnp 2N3905 (pines espejo)
x2 resistencias Ω 330
x2 resistencias Ω k 22
x2 condensadores μF 16V 4,7
x2 resistencias dependientes en la luz (LDR) en 0 - 30 gama Ω k
x1 2N4920 transistor pnp (amplificador de manijas 1)
x1 8 + bobina de altavoz Ω
x1 interruptor de lámina magnético, no incluido pequeño
Quiero un tiempo RC y condensadores pequeños, así que opté por resistencias Ω de 22 k con 4,7 MF 16V condensadores bipolares. Esto resulta en aproximadamente 2-5 Hz la frecuencia de oscilación.
También quiero el circuito que se efectuará por el medio ambiente, así que poner resistencias dependientes de luz (LDR) en serie con las resistencias de 22 k. El interruptor es un interruptor de láminas pequeñas de un circuito de flash de cámara desechable. Vamos a usar este modificador como bigotes sensibles en el abdomen.













