Inalámbrico potencia transmisor y receptor (3 / 6 paso)

Paso 3: Receptor diagrama esquemático

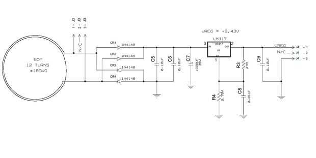
La bobina del receptor es de 12 vueltas, diámetro de 6cm de alambre de Magneto #18AWG. Esta bobina es igual a la bobina secundaria de un transformador cuando usted está haciendo una fuente de alimentación. Se conecta a un rectificador puente de onda completa con cuatro diodos de alta velocidad 1N4148. Diodos de 1N400x no funcionan. El resto del circuito es solo un regulador de voltaje simple usando el LM317 para + 8.4V.

Obtener 28 VCC antes del regulador. Necesito 8.4V para alimentar mi Arduino. Que no era capaz de medir la cantidad de energía que podemos conseguir con este diseño pero he probado con un pequeño motor DC de un antiguo CD-ROM y casi se va a quemar los cepillos por lo que es probablemente lo suficientemente a la energía de la pantalla LCD y servomotores pequeños.

Artículos Relacionados

El sistema de Control de velocidad del Motor inalámbrico NRF24L01 con Arduino

El sistema de Control de velocidad del Motor inalámbrico NRF24L01 con Arduino

Equipo de ICStation presentamos el sistema NRF24L01 Wireless prioridades de Control de velocidad Motor funciona bajo voltaje de 5V DC. Utiliza el Módulo inalámbrico de NRF24L01 para transmitir datos de control de velocidad y el Sensor de pasillo para
Distancia transmisor con receptor LCD con Arduino inalámbrico

Distancia transmisor con receptor LCD con Arduino inalámbrico

Este instructables muestra cómo hacer un sensor de distancia de arduino powered con telémetro del ultasonic que la distancia medida en el receptor. En este proyecto utilizamos un transmisor de 433 mhz y un receptor para enviar los datos desde uno ard
Inalámbrico transmisor de código Morse de timbre y de la impresora

Inalámbrico transmisor de código Morse de timbre y de la impresora

En este instructable, mostraré cómo modificar un timbre inalámbrico en un transmisor de código Morse y el receptor. Además, les mostraré cómo hacer que una impresora de código de Morse en tiempo real utilizando piezas simples.Información de anteceden
Transmisor de Audio Inalámbrico

Transmisor de Audio Inalámbrico

Hola mundo...Este es un instructable sobre transmisor inalámbrico de audio. En la mayor parte de nuestra vida día a día nos encontramos con situación donde necesitamos conectar nuestro iPod, móvil, portátil... etc. a nuestro sistema de sonido, pero l
Frambuesa Pi inalámbrico transmisor de Bluetooth Audio Radio FM

Frambuesa Pi inalámbrico transmisor de Bluetooth Audio Radio FM

Utilice su frambuesa pi para escuchar música de forma inalámbrica directamente desde tu teléfono a la radio! Fantástico para conseguir música a la radio del coche.Este instructivo se basa en información de dos otros instructables y llena los huecos p
Fix de corte transmisor minuto (sólo mac) de 3 auriculares inalámbrico

Fix de corte transmisor minuto (sólo mac) de 3 auriculares inalámbrico

Hi,Tengo un par de auriculares inalámbricos Sennheiser TR120 (he tenido ellos un buen años, creo que se llaman RS120 ahora) y cuando no hay señal durante 3 minutos, desconecta el transmisor obtiene un horrible ruido blanco estático a través de los au
Refrigeración tiene hdmi inalámbrico transmisor

Refrigeración tiene hdmi inalámbrico transmisor

mientras este hdmi inalámbrico funciona bien, me di cuenta que apreciable de calor y hace que el enlace para ir muerto. Muy molesto mientras disfruta de una película.Paso 1: Ventilador de refrigeración Fans sin cepillo de 5 dos voltios de Amazon fuer
Un ratón + un banco de potencia = ratón inalámbrico recargable

Un ratón + un banco de potencia = ratón inalámbrico recargable

Se pueden combinar un ratón inalámbrico y un banco de energía del teléfono móvil para hacer un ratón recargable!Paso 1: Por qué hago estoSon las pilas gastadas que utilicé para mi ratón inalámbrico el año pasado. Si yo pudiera construir un ratón reca
Guitarra transmisor de Audio Inalámbrico / Kit de herramientas

Guitarra transmisor de Audio Inalámbrico / Kit de herramientas

funciona muy bien teniendo en cuenta que todos los gastos alrededor de 10 dólares para hacer.Alcance hasta 15 piesPaso 1: Lista de materiales Materials List-Transmisor FM inalámbrico-(x2) 6, 5 mm macho a 3.5mm hembra Audio Jack adaptadores-Extensión
Receptor de ratón inalámbrico de LEGO

Receptor de ratón inalámbrico de LEGO

Paso 1: herramientasUsted necesitará los siguientes elementos y herramientas para hacer el receptor de ratón inalámbrico de Lego-1 x 2 piezas de Lego (o cualquier pieza podría trabajar-Receptor de ratón roto-Herramienta Dremel-Super Glue-Alicates (op
Convertir tu ipod touch/iphone a un receptor inalámbrico.

Convertir tu ipod touch/iphone a un receptor inalámbrico.

Hi allí su mí de nuevo, el hacker de Ipod. previamente puede haber leído mi instructable sobre la piratería de windows 95 y Windows 3.1 en los ipods. Si no, entonces debe u es un proyecto poco fresco y puede sorprender a tus amigos. pero esto es dife
Inalámbrico digital escala

Inalámbrico digital escala

Esta escala es inalámbrico. Puede ser útil cuando no se puede utilizar una escala normal, debido al clima exterior, o si no quieres espantar a los pájaros u otras criaturas. Con esta escala se puede pesar. En este instructable, usé una célula de carg
Hace ratón inalámbrico carga

Hace ratón inalámbrico carga

Prefiero con cable ratón ratón inalámbrico por una razón, que es la batería. Se siente incómodo para mí buscar la máquina de carga cargar una batería descargada o comprar nueva batería cuando esté descargada. A veces va mal en momentos inoportunos.En
Inalámbrico de RF controlado fuego efectos

Inalámbrico de RF controlado fuego efectos

hombres de las cavernas inventó el fuego hace cerca de un millón de millones de años, y desde ese día hombre se ha ido planteando con formas más innovadoras de hacer bolas de fuego cada vez mayor. Aquí está mi intento de traer su homo erectus estilo