Impresora 3D DIY delta usando partes recicladas bajo costo (7 / 8 paso)

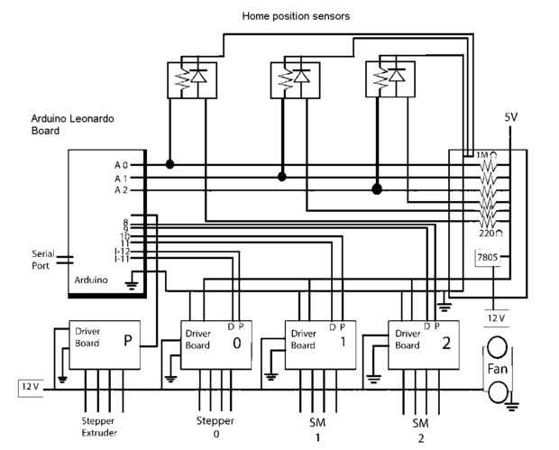
Paso 7: electrónica

Se utilizaron cuatro tablero de conductor del motor de pasos diferentes reguladores y motores de pasos de estirador. Controladores para deslizadores son controladores comunes de 12V pero para extrusora utiliza micro paso a paso para mantener la protuberancia correcta. Una placa Arduino Leonardo fue utilizada como controlador de nuestra impresora 3D. Tres entradas analógicas fueron utilizados para detectar las señales de los sensores de posición y también ocho salidas digitales que envían impulsos para cuatro motores paso a paso. Temperatura del extremo caliente y el calentador están controladas por separado por reguladores individuales.

Artículos Relacionados

Hacer que una impresora 3D super barata usando partes recicladas

Hacer que una impresora 3D super barata usando partes recicladas

hoy en día mucha gente hablar de impresión 3D y las muchas cosas que pueden producir.  Incluso el Presidente habla de él durante su discurso del estado de Unión.  Si bien es cierto que algunas de las tecnologías de impresión 3D nuevos en modelos de g
Actualizar y mantener una computadora de escritorio usando partes recicladas

Actualizar y mantener una computadora de escritorio usando partes recicladas

este instructable le mostrará cómo desmonté mi computadora de escritorio dell, agregado dos discos extra duros, limpia el disipador de calor, agregó un dongle Wifi interno y añade puertos USB internos. Estos pasos deben aplicarse a todos los equipos
DIY RC/Arduino bordo jeep bajo costo conversión

DIY RC/Arduino bordo jeep bajo costo conversión

Aquí está mi rápida youtube video para este proyecto.En mi Instructable previo, construí un tanque RC (ver aquí) con las tripas de un coche de juguete del RC y un Arduino para manejar las señales de control para un chasis de orugas Tamiya. Entonces,
Tinta y pluma: un DIY fácil y de bajo costo

Tinta y pluma: un DIY fácil y de bajo costo

HistoriaRealmente estaba buscando resolver un problema muy diferente cuando termino con esta idea.Leí las instrucciones DIY en otro lugar sobre cómo hacer una pluma y añado una idea.Cómo combinar una pluma de una pluma con una pajita... Lo probé no f
DIY LED DRL (enfoque de bajo costo y No-Drill)

DIY LED DRL (enfoque de bajo costo y No-Drill)

¡ Zoom! Ahí va que un Audi con perlas brillantes de LED se llama como DRL o lámparas de funcionamiento durante el día. Se pone de pie en el temor, mandíbula caída, ojos apareció. Qué una bestia maravillosa!!!!Con este fácil de seguir a guía, usted pu
Delta de RepRap caseros Bot impresora 3D DIY X Y Z Kossel marco

Delta de RepRap caseros Bot impresora 3D DIY X Y Z Kossel marco

Delta de RepRap caseros Bot impresora 3D DIY X Y Z Kossel marco3 piezas 15mm carril linear MGN15 MR15 330mm miniatura lineal1 set Delta impresora Kossel Mini K800 aluminio aleación montaje marco inferior vértice y vértice superior kit 3D12 piezas de
Una impresora 3D de bajo costo con herramientas básicas

Una impresora 3D de bajo costo con herramientas básicas

Introducir el 'apto de Ad (str)'Bienvenidos a nuestro 1er intento hacer un instructable. Esto es barato, rápido y muy 'hackeable' impresora bootstrap basada libremente en la reprap 'Adapto' (http://reprap.org/wiki/Adapto) el volumen de impresión de e
Impresora 3D de mezcla de Color RGB acero - marco de acero, bajo costo,

Impresora 3D de mezcla de Color RGB acero - marco de acero, bajo costo,

El Acero RGB que impresora 3D pretende ser una mirada agradable, carbón de bajo costo, fuerte marco de acero, compactas, de mezcla de color, fácil para ensamblar la impresora 3D reprap.La máquina es un nuevo diseño de la impresora de la famosa estruc
Impresora 3d DIY para principiantes

Impresora 3d DIY para principiantes

Me ha fascinado sobre la impresión 3D ya que estaba en la Universidad y ahora que estoy a punto de iniciar algunos proyectos que implica cargas de impresión 3d, he decidido conseguir una. El primer paso que hice fue elegir entre XYZ (cartesiano) o De
Impresora 3D de E-Waste (parte 1, resto que vendrán en el futuro, esperemos que pronto)

Impresora 3D de E-Waste (parte 1, resto que vendrán en el futuro, esperemos que pronto)

Hay un montón de e-waste(electronic waste) que se desechan cada día. En vez de simplemente deshacerse de ella y agregar a la pila de la basura electrónica ¿por qué no reutilizar ese material para hacer cosas impresionantes?Una de las muchas cosas que
Incubadora de bajo costo y precisa para la biología de DIY

Incubadora de bajo costo y precisa para la biología de DIY

DIYbio, Biología (Do It Yourself) es un movimiento creciente que pretende acercar la biología fuera de contextos profesionales. En los últimos años, plataformas como transiluminador OpenPCR y Perla Biotech han sido diseñadas para apoyar el trabajo de
Dolly de la cámara de partes recicladas

Dolly de la cámara de partes recicladas

Dolly de cámara utilizado para movimientos de cámara suaves. El precio es bastante caro. así que hice esto de forma gratuita, de partes recicladas.Puede utilizar este carro de cámara digital SLR y DSLR cámara, cámara.OK ahora vamos a hacerlo!!!!!!Pas
Caseros RepRap Prusa impresora 3D DIY X Y eje deslizante lineal grabado Plotter Laser marco

Caseros RepRap Prusa impresora 3D DIY X Y eje deslizante lineal grabado Plotter Laser marco

Caseros RepRap Prusa impresora 3D DIY X Y eje deslizante lineal grabado Plotter Laser marcoMateriales:1 pieza 340-8D 8mm llevan tornillo diámetro de 8mm plomo 2mm longitud 340mm con tuerca de cobre8 piezas SC12UU SCS16UU 12mm lineal bloque CNC Router
Caseros RepRap Prusa impresora 3D DIY X Y eje diapositiva etapa lineal marco de aleación de aluminio

Caseros RepRap Prusa impresora 3D DIY X Y eje diapositiva etapa lineal marco de aleación de aluminio

Caseros RepRap Prusa impresora 3D DIY X Y eje diapositiva etapa lineal marco de aleación de aluminioMateriales:Caseras X diapositiva CNC ejes aquí:1 pieza de aleación de aluminio 240 x 80 x 8 mm2 piezas de aluminio aleación 80 x 42 x 12 mm1 pieza ID6