Iluminado altavoz recinto continuó (4 / 7 paso)

Paso 4: Añadir el Control de música

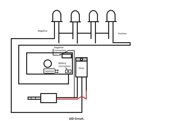
Ok por lo que ahora tiene la cámara para los LEDs de potencia a continuación tiene que cable de audio y cortar un extremo de unas pocas pulgadas del extremo, luego stripp alrededor de una pulgada fuera del final del cable de audio luego tomar los cables libres alrededor de los 2 cables aislados y envuelva todos los hilos juntos dejando la insuated 2 cables entonces tuerza el cable negativo de la cámara para los filamentos expuestos en el cable de audio. (esto se une a la negativa de la cámara a la tierra en el conector de audio.) Luego soldar los 2 cables negativo conectados al TIP31 transistor como se muestra. Alambre de uno de los conductores aislados del cable de audio al lado opuesto del transistor como se muestra a continuación, conecte un cable desde el pasador central con el cable negativo del circuito del LED. Luego de la soldadura el positivo de la cámara con el cable positivo del circuito del LED, como se ve en la foto. Luego tomar algunos pegamento y pegar el transistor donde su conveniente.

Artículos Relacionados

Hacer un LED iluminado altavoz Bluetooth roble

Hacer un LED iluminado altavoz Bluetooth roble

Desde que mi router CNC, he querido realmente probar su capacidad para producir piezas precisas y de alta calidad que se conforman con un producto terminado.Diseño y fabricación de un altavoz bluetooth ha estado en mi mente desde ver un video de DIYP
Diseñar sus propios altavoces de estantería referencia

Diseñar sus propios altavoces de estantería referencia

Unos meses atrás, fui a un consumidor de grandes de la caja electrónica almacena y vagaron hacia la sección élite. Curiosidad por el alboroto, le pregunté al hombre para escuchar música a través de un par de altavoces $2000 lujo. Wow. No tenía idea q
DIY HiFi altavoces de estantería (referencia del estudio)

DIY HiFi altavoces de estantería (referencia del estudio)

experiencia altavoces studio con bajo presupuesto! Construir altavoces de alta fidelidad desde cero y la diferencia! Este es un proyecto de gran arranque, suficiente para introducir los aficionados al mundo de la calidad de audio. Mi instalación me c
Recintos de altavoz impreso 3D (con luces!)

Recintos de altavoz impreso 3D (con luces!)

Este proyecto fue una demostración del potencial de impresoras 3D para crear productos de alta fidelidad, acabados. Queríamos crear algo que sólo se pueden crear por medio de la fabricación aditiva. El objetivo era crear una pieza funcional, listos p
Iluminado recinto de altavoces

Iluminado recinto de altavoces

Hola a todos y Bienvenidos a uno de mi instructables, esto va a ser un proyecto simple que crea absolutamente un espectáculo impresionante. Este proyecto que todo comenzó cuando me di cuenta de cuánto material extra que tenía alrededor, así que aquí
El último portátil hogar/tienda Bluetooth altavoz

El último portátil hogar/tienda Bluetooth altavoz

Esta es mi participación en el concurso de la madera contrachapada, Dame un pulgar y voten por mi para... Gracias :)EDIT: HE AÑADIDO LOS ARCHIVOS DE DXF PARA AQUELLOS QUE HAN PEDIDOResumen:Hace unos meses un amigo trajo un altavoz Bose Bluetooth a un
Altavoz Bluetooth DIY

Altavoz Bluetooth DIY

resolver el PartyBar™! Hacer un altavoz inalámbrico, lo bastante fuerte como para llenar un cuarto entero! Con un presupuesto de menos de $15, pueden tener sus propios altavoces Bluetooth de rascar materiales! Es la pendiente resbaladiza, con estilo,
ReDIY - Streaming Bluetooth altavoz proyecto

ReDIY - Streaming Bluetooth altavoz proyecto

reDIY es un proyecto open source de altavoz bluetooth. Nosotros estamos con la intención de permitir a la gente crear un altavoz compatible bluetooth simple, barato. Cada tipo de máquina tiene una opción con este proyecto. Tienes la opción de comprar
Logitech X-230 altavoz concreto mod

Logitech X-230 altavoz concreto mod

Tenía un conjunto de altavoces de Logitech X-230 ahí. Siempre pensé que tenían un sonido decente teniendo en cuenta el poco dinero que tienes que pagar por ellos.Así que quería reactivar ellos, pero esta vez con un diseño ligeramente modificado. Yo t
Cómo construir un barato alimentado caja del altavoz

Cómo construir un barato alimentado caja del altavoz

Intro / razonamientoMe gusta cosas de reutilizar que tengo ahí. Recogí un amplificador de 200 vatios por sólo $20. También tuve un montón de cajas de mudanza y algunos Fosgates de Rockford que no estaba usando y varios pc fuente de alimentación unida
Altavoz amplificado de potencia de iPod

Altavoz amplificado de potencia de iPod

al mirar una hoja de pinout para el conector propio de Apple, noté algo que me tiene emocionada - una producción de 3,3 voltios! Originalmente destinado a accesorios de la energía como las primeras cámaras plug-in, me di cuenta de que esto podría ser
Altavoz portátil Bluetooth de 40W (versión mejorada!)

Altavoz portátil Bluetooth de 40W (versión mejorada!)

¡ Hola todos! Hoy voy a mostrarte cómo construí este altavoz portátil! Después de casi 2 años de investigación, diseño y pruebas, he venido para arriba con este diseño. Pone 40W de potencia de sus 2 tweeters, woofers y pasivos, cuenta con el más reci
DIY 2.1 altavoz portátil con USB, AUX, TF, Bluetooth y control remoto

DIY 2.1 altavoz portátil con USB, AUX, TF, Bluetooth y control remoto

Hola chicos, yo soy un ser pensado DIY fan, me encanta hacer proyectos de pequeña escala, quise hacer instructables aquí pero no tenía una buena cámara para tomar fotos del proceso. Pues bien, ahora compré una cámara buena para su tiempo empiezo hace
Hacer su propia distorsión caja altavoz!

Hacer su propia distorsión caja altavoz!

Hola a todos.Abhay y Akshay aquí.Hace ya mucho tiempo hemos publicado un tutorial de paso completo, así que hoy vamos a hacer un impresionante altavoz que suena bien y puede distorsionar el sonido si da alto voltaje o energía extra.Nosotros no hemos