



Las instrucciones aquí son diferentes de lo que hice en unos lugares, porque me di cuenta después de los hechos de una manera mejor y más eficiente, etc. de hacerlo.

Lo que usted necesita
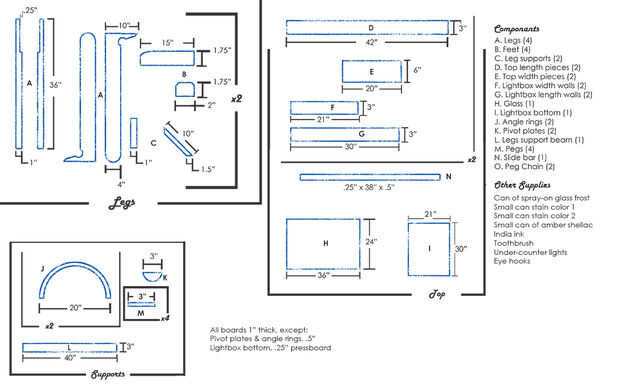
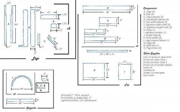
Madera: utilicé principalmente caoba y Álamo; pero las clavijas son espigas de roble, la guardia de rodillo (no el término real, pero no sé cómo se llama en realidad) es de pino; la caja de luz, placas pivote y anillos de ángulo son madera contrachapada (obviamente sería más elegante con madera real); la parte inferior de la caja de luz es cartón prensado
Vidrio o plástico de la hoja: 24 x 36" pedazo; el vidrio es más barato, pero plástico, plexiglás, acrílico, etc.--sería más robusto; Si vas del plexiglás, necesitarás un trozo más grueso que con el vidrio, ya que no es tan rígido y va a necesitar a más de la parte superior que quede al ras de la ruta
Luces: utilicé un juego de luces debajo de los gabinetes; puede ser que consiga más incluso la iluminación con luz fluorescente tipo barra
Aerosol-en vidrio Frost: además de difundir la luz en la caja de luz, esto también da el vidrio de una textura bastante decente para mantener materia estable sobre el escritorio
Mancha 1: un color claro; se trata de su base; Fui con un tono "sunbleached"; sólo necesitas una lata pequeña de este y su otro color de la mancha
Mancha: un color más oscuro; Fui con una guinda; una vez más, sólo necesita un pequeño puede
Goma laca: utilicé una goma laca Ambar, como se imparte una mirada caliente, envejecida a la madera; se podría sustituir la laca o poliuretano; que necesitará suficiente para por lo menos 2 capas, más si se utiliza una madera más porosa (caoba, roble, etc.) y deseo un muy buen acabado
12 L-brackets pequeños: se utilizan para reforzar las placas pivote y ángulo de los anillos
Las perillas de madera 2: éstos se fijarán a las clavijas de los anillos de ángulo
2 cadenas pequeñas, 6" cada uno: éstos son fijos a las clavijas de la placa pivotante
Tornillos
Pegamento para madera