Paso 2: Juntándolo todo

La soldadura en las piezas y los cables para conectar las distintas partes como se muestra en el esquema.
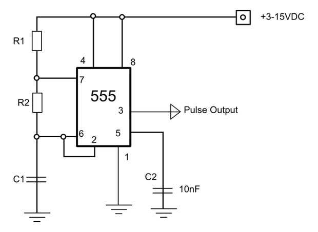
Recuerde soldar el pin 2 al pin 6. El condensador de desacople, C3 (no mostrado) entre tierra si no está utilizando una batería y la energía en la soldadura. Si desea utilizar el ajuste de frecuencia opcional, añadir en serie con R1. Energía va al pin 4 (5-15 v DC). R2 es la conexión del pin 6 a pin 7. Ya que no vamos a utilizar el pin 5, la tensión de control, debemos desligarlo a tierra con un capactor 10 nF (C2 :-).
Resumen del 555. Pin 1 = tierra
Pin 2 = gatillo
PIN 3 = salida
Pin 4 = puesta a cero
Pin 5 = tensión de control
PIN 6 = umbral
PIN 7 = descarga
Pin 8 = 3-15 vdc			













