Paso 4: Montaje Final



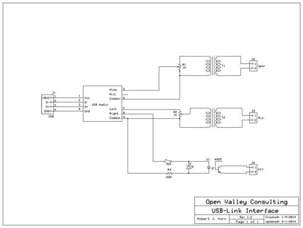
para el conector de la plataforma utiliza un din de 6 pines o 3 separar conectores como usted por favor. incluso un db-9, RJ45 o similar voluntad hacer.
los transformadores son transformadores 1:1 telco. casi cualquier cosa, desde 100 a 1000 ohmios funcionarán.