Halo batalla y asalto estilo juguetes con leña realista.

Basado en las armas de Halo 3 batalla y asalto, esquema 1:1 escala lo Halopedia determinar las dimensiones correctas.

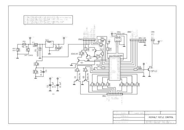
Solenoides cierre de coche por sonido o vibración, blanco y amarillo por fases para bozal parpadean, 36 y 32 rondas contador de munición y realista rondas por minuto.

Más imágenes y fuente de CCS C un

Etiquetas: Halo, Rifle, Batalla, Asalto, Fusileros

Artículos Relacionados

Cómo arreglar los juguetes con la impresión 3D.

Cómo arreglar los juguetes con la impresión 3D.

En este instrutable mostrará usted cómo reemplazar una pieza de un juguete. Más concretamente de un arma de Nerf. Este método puede aplicarse a más entonces sólo juguetes. Usted tendrá un conocimiento general de un software de modelado 3D.Paso 1: Des
DIY estilo pulseras con picos!

DIY estilo pulseras con picos!

En video hoy le mostrará cómo hacer esta pulseras estilo fresco con granos y espigas, aunque parece complicado, es muy fácil así que si usted quiere saber cómo hacerlo, a ver.Todo lo que vamos a necesitar es:Cuero negro como cable, picos de tres y cu
Soldado de asalto estilo registro quemador

Soldado de asalto estilo registro quemador

después de la impresionante retroalimentación he recibido de mis quemadores de registro estilo Vader y sido un poco de un nerd de Star Wars, he estado esperando probar un diseño de asalto por un tiempo ahora tan aquí va.Paso 1: diseño Mi mayor reto f
T camisa perro de juguete con pelota

T camisa perro de juguete con pelota

Paso 1: introducciónComo de la humanidad más fiel y constante amigo, perros comparten muchas cualidades con la gente. Tanto entienden Estados de ánimo de las personas a su alrededor, tanto disfrutar de dormir en la cama, y perros y personas se meten
Encender un auto de juguete-con mecanismo de apertura de la puerta del CD-ROM

Encender un auto de juguete-con mecanismo de apertura de la puerta del CD-ROM

Imagínese esto, finalmente decides actualizar a una nueva laptop y reciclar su computadora de escritorio antiguo en casa después de 8 largos años de servicio y luego te golpea - tu roto CDROM drive/disco duro es un tesoro de piezas, engranajes y moto
Camiseta personalizada tejido Top - estilo Variable con 1.5" bordes y 2" frontera

Camiseta personalizada tejido Top - estilo Variable con 1.5" bordes y 2" frontera

La muestra utilizada en este Instructable es para una colcha de tamaño del tiro. Sin embargo, el proceso puede aplicarse a cualquier colcha de tamaño.Fuentes:Camisetas, jerseys, sudaderas y cualquier tipo de ropa le gustaría incluir. Si tienes mancha
Hacer un sable de luz de gran juguete con elementos desechados

Hacer un sable de luz de gran juguete con elementos desechados

Todo lo que necesitas es:una vieja linterna de 5 vatioscelofán de coloresun tubo de vidrio de una bombilla fluorescenteun pequeño espejo circularcinta adhesiva transparenteun caso para un sable de luz de juguete grandeun cortador de vidrioPaso 1:Prim
Cómo hacer un asombroso juguete con 3 bolas y una cadena de física

Cómo hacer un asombroso juguete con 3 bolas y una cadena de física

Esto es algo que solía tener como un niño (mis padres compraron en algún lugar), pero nunca fui capaz de encontrarlo. Simplemente desapareció de mi vida. Así que decidí hacer mi propio!!!! Tuve algunas pelotas saltarinas ahí, y le pregunté a mis padr
Hacer juguetes con Sugru

Hacer juguetes con Sugru

Sugru es un caucho de la uno mismo-ajuste para fijar, modificar y mejorar cosas.  Se moldea como plastilina, adhiere a casi cualquier cosa y se convierte en un caucho de silicón flexible, fuerte durante la noche.  Viene en varios colores y es ideal p
Aparador de estilo minimalista con electrónica Bay

Aparador de estilo minimalista con electrónica Bay

este es un diseño para un estilo minimalista dormitorio cómoda con uno de los espacios de cajón mejoradas para que soporte la caja de cable / dvr, equipo de música, etc..  Ahora no tienes que elegir entre un aparador y un centro de entretenimiento.Co
Cómo reparar el mecanismo de cuerda y el peso en madera estilo antiguo con marco windows

Cómo reparar el mecanismo de cuerda y el peso en madera estilo antiguo con marco windows

Primavera ha llegado. Está caliente. Pero no lo suficientemente caliente para acondicionadores de aire, a menos que no abrimos las ventanas. Que, en mi antigua casa vintage precioso, nuestra primera primavera viven realmente en ella, en su mayoría no
'GetUnderTheSkin' - Hacking y haciendo Radio de estilo juguete sensorial.

'GetUnderTheSkin' - Hacking y haciendo Radio de estilo juguete sensorial.

Este documento le mostrará cómo hacer una Radio de 'GetUnderTheSkin' que diseñé como parte de un proyecto universitario.Nos dieron la tarea de rediseñar una radio usando los componentes existentes de uno que se nos dio. Comencé por diseñar esta alred
Un juguete con un interruptor el silencio

Un juguete con un interruptor el silencio

algunos juguetes deben ser vistos, sino no! Mi sobrino 2,5 año de edad es grande en los bomberos ahora, así que encontré este gran casco para él que tiene una fresca luz intermitente en la parte delantera. Sin embargo, también cuenta con una sirena y
Dibujo de un retrato de estilo Comic con Sketchbook Pro

Dibujo de un retrato de estilo Comic con Sketchbook Pro

SketchBook Pro es mi favorita de software de dibujo. A diferencia de algunos otros programas de Ilustración, Sketchbook es muy intuitivo. Todo lo que tenía que hacer es recoger mi lápiz y dibujar, muy parecido a un cuaderno real. Por supuesto, tener