Paso 2: electrónica




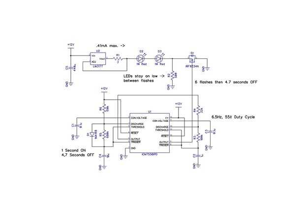
Hacer los ojos flash de vez en cuando agrega una divertida sorpresa. Un temporizador C 556 (dos 555 CMOS) yo solía dar 6 destellos rápidos y espere 5 segundos. Breadboarded rápidamente y luego hizo un circuito excepcional en un diseño de tablero material del PWB. Un transformador de 12V 600mA suministra energía - las baterías no duran noche tras noche.
Los LEDs están en una caja resistente a la luz, los circuitos están en un recipiente de tapa de presión plástica.