Paso 4: Cierre de comentarios


Aunque finalmente colocó en un diseño con el escudo de espectro, más por conveniencia perezoso que por cualquier otra razón, inicialmente había comenzado hacia fuera con la intención de construir mi propio circuito desde cero.
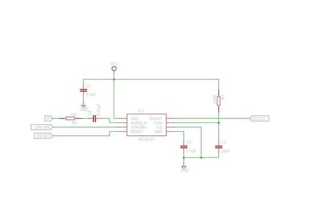
He incluido esta sección para obtener información general útil, en caso de que desee ir abajo uno mismo construir no comprar ruta.
Con el espectáculo del circuito anterior, que es un rip ligeramente modificado de la hoja de datos de MSI Corp, que montado en un solo canal EQ gráfico.
El adjunto un vídeo (disculpas de antemano por la elección de la música) muestra la pantalla vivo en acción.
El rastro superior en el ámbito digital muestra la línea de disparo de la Arduino a la MSGEQ7 y la parte inferior de la salida de reloj de la MSGEQ7. El nivel de que es un análogo de la escalado que representa el contenido de frecuencia de 63Hz... 16kHz.
Estrictamente hablando el código para controlar que el MSGEQ7 sólo necesita emitir el pulso de reset y continuamente ciclo 7 pulsos. Al final que me conformé con emitir un reset cada pulso Lee ciclo, principalmente porque hace el código más fácil.
Que te diviertas.