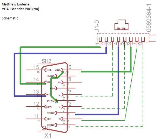
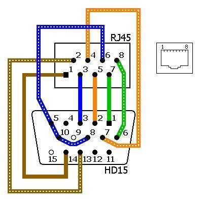
Paso 2: Esquemas y diagramas.


Esta es la versión base del texto de la misma. Primer número corresponde a la clavija de ethernet y en segundo lugar está la clavija VGA/hd15.
1 - 14
2 - 13
3 - 3
4 - 7
5 - 2
6 - 5,8,10
7 - 4
8 - 6
* Aviso ethernet pin "6" de hecho está conectado a todos de los siguientes pines - 5, 8 y 10. Estos son lo R, G, jardín B.