Paso 2: El lado del Hardware



El hardware consta de 2 partes principales: la parte del microcontrolador y la pantalla LED.
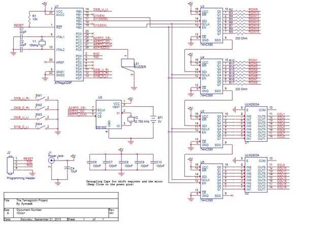
El microcontrolador es muy sencillo, es un arduino independiente (ATmega328 con arduino bootloader) con
algunos periféricos (4 botones, un zumbador y un RTC), pero el es de la parte más crítica, como hace todo el pensamiento.
La pieza de la exhibición de LED es un poco más compleja y toma algún tiempo para soldar encima de. Este circuito consta de registros de cambio 4 (74HC595),
2 arrays de transistores darlington (ULN2803) y 4 matrices de LED 8 x 8.
Como más pantallas de LED viene como ninguna sorpresa que la pantalla tiene que ser multiplexado (mire para arriba es un concepto muy bien) porque conduce 16 x 16 LEDs individualmente tendrá 256 pines del microcontrolador y que es simplemente tonto.
Incluso con el enfoque multiplexación que aún necesitamos 32 (16 filas + 16 columnas) pines del microcontrolador para manejar el display que otra vez no tienen, por lo que la solución es usar cambio se registra como una expansión de I/O, 4 registros de desplazamiento de 8 bits nos dan 32 salidas y tarda solamente 3 líneas para el control de todos ellos.
Pero los problemas no terminan aquí porque no pueden manejar los registros de desplazamiento hundimiento actual de 16 LED (si está encendida una fila completa) en uno de los pines así que tenemos que darle una mano con la ayuda de la matriz de transistores darlington que actuará como un búfer que puede manejar grandes corrientes que pueden freír el cambio se registra.
Así que para recapitular utilizamos 4 registros de desplazamiento de Margarita para controlar la visualización, los primeros 2 conducir las filas y los otros 2 conducir las columnas con la ayuda de la matriz de darlington.
Lo único que hay que calcular en este proyecto es el valor de las resistencias que las filas de LED.
La fórmula es muy simple y va así:
R = (Vsource - Vled) / Iled
VSource es 5V, Vled es la tensión de paso en un solo LED en la matriz y Iled es la corriente delantera de ese mismo LED.
También puede utilizar calculadoras en línea para ayudarle con esto.