Hacer un reloj que habla (4 / 10 paso)

Paso 4: Hacer: esquemático

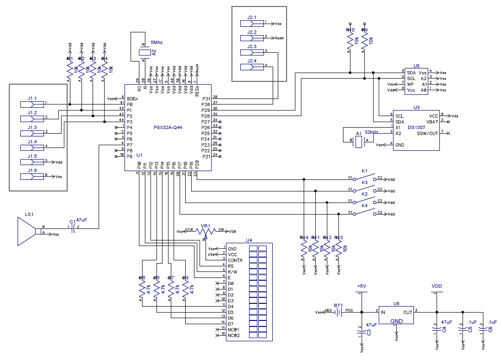
En primer lugar, revisar el esquema para entender cómo todo está conectado.  El cuadro de la izquierda está la ranura para tarjetas SD, y la caja en la parte superior está la clavija de la Prop.  Te ande lo breadboarding, pero el esquema es su mejor guía.  Aquí está una versión en alta resolución, la versión de lo-res está por debajo.

Artículos Relacionados

Cómo hacer un robot que habla con AIML en c#

Cómo hacer un robot que habla con AIML en c#

En este instructable les mostraré cómo hacer una IA de AIML desde cero utilizando las bibliotecas AIML. El AI puede responder a la mayoría de la pregunta de AIML proporcionar la plantilla predeterminada. En este tutorial te mostrará cómo instalación
¿Hacer un reloj modificado para requisitos particulares que funciona al revés

¿Hacer un reloj modificado para requisitos particulares que funciona al revés

lo que este Instructable le enseñará?Tomar un reloj viejo llano o el reloj y hacerlo correr hacia atrás y coloque en una cara de reloj genial para hacer su propio reloj modificado para requisitos particulares que se puede colgar con orgullo, porque s
En el tiempo – hacer su reloj de agujas de madera

En el tiempo – hacer su reloj de agujas de madera

No vaya apacible en buenas noches,Vejez debe quemar y rave en el cierre del día,Rabia, rabia contra la muerte de la luz.Con este kit se puede montar un reloj de madera funcionando al revés.Al hacer este reloj, puede aprender los ingredientes de un re
Libro que habla de Steampunked

Libro que habla de Steampunked

Hi todo el mundoHa pasado mucho tiempo desde que escribí mi última instructable. Yo tenía mucho que ver con asuntos familiares.Pero ahora un nuevo proyecto está listo para ser presentado aquí. Se llama el "steampunked-hablar-libro".Este divertid
Cómo hacer un reloj de pared Floral dulce para la decoración de su habitación

Cómo hacer un reloj de pared Floral dulce para la decoración de su habitación

Me encanta floral y para rematar la decoración floral para mi habitación. Así que, decidí hacer un reloj de pared floral! Me encanta este reloj floral. Porque se adapta mi habitación que tiene un color de pared rosa cremoso. Si te gusta una decoració
¿Cómo hacer un reloj de registro de vinilo personalizado

¿Cómo hacer un reloj de registro de vinilo personalizado

cansado de tu ser analógico análogo a todo otro reloj en el mercado?  ¿Harto de esas pilas de expedientes sólo hay mentira alrededor de la casa?  Bien se preocupe no más!  Con la misma cantidad de tiempo y dinero como ver una película el sábado por l
Hacer un reloj de Tetris de cintas de cassette!

Hacer un reloj de Tetris de cintas de cassette!

¿Qué mejor manera de hacer un reloj de juego de los 80 que fuera de los materiales de los años 80?Así que tengo un grave exceso de cintas de cassette y simplemente no Haz escuchados ya. No quiero tirarlos lejos, así que sólo usaré les para arriba en
Cómo hacer un reloj de saludo

Cómo hacer un reloj de saludo

Construir usted mismo un reloj de saludo para decir el tiempo a tu manera!No debe tomar más de un cuarto de su día y una sonrisa que está allí para quedarse :) la plantaPaso 1: Reúna sus materialesReunir todos los materiales que necesitas para hacer
Cómo hacer un reloj de fusión de estilo Dali

Cómo hacer un reloj de fusión de estilo Dali

no escucho a ninguna de mis viejos discos, pero me gusta tenerlos alrededor. Suerte, también lo hacen a mis amigos. Otro punto que tenemos en común es una apreciación de saber qué hora es. Me ha estado fastidiando con registros y han solucionado mis
Hacer un reloj de un disco de freno de bicicleta

Hacer un reloj de un disco de freno de bicicleta

aquí está lo que puede hacer con todos los discos de freno bicicleta antigua/repuesto tienes ahí!Se necesita:-disco de freno de bicicleta-reloj de pared de cuarzo baratos-pegamento-regla-2 pernos largos y 2 tuercas para ajustarlas (opcional)-brasso-c
Hacer un reloj de pared disco

Hacer un reloj de pared disco

Paso 1: Elementos necesarios: MaterialsMecanismo de reloj de 1 arte17 disquetes (fresco de colores, etiquetas etc. de la diversión) en capas de 5, luego 4, luego 8Palitos o equivalenteHerramientasTaladro y broca (no se muestra, lo siento)Caliente pal
Hacer un reloj de escritorio inteligente, escrito en JavaScript, desarrollado por el Edison de Intel

Hacer un reloj de escritorio inteligente, escrito en JavaScript, desarrollado por el Edison de Intel

Por qué mis relojes necesitan ser más inteligentes...Siempre configurar recordatorios para mis reuniones de calendario pero cuando eso poca notificación de escritorio "Reunión de XYZ a partir de 15 minutos" aparece en la esquina de la pantalla d
ThermoClock: Un código abierto Arduino UNO OLED reloj que mide también la temperatura

ThermoClock: Un código abierto Arduino UNO OLED reloj que mide también la temperatura

Hola, todo el mundo!Hoy voy a mostrarte cómo hacer un código abierto Arduino UNO OLED reloj que también medidas de temperatura de. Este proyecto es un software libre y está abierta a todo el mundo. No requiere ninguna habilidad especial ingeniero y t
Cómo hacer un reloj de calavera

Cómo hacer un reloj de calavera

Hoy, voy a mostrar como hacer este reloj de calavera que va a ser un gran arrancador de la conversación del Halloween o centro de mesa.Paso 1: Lo que usted necesitaNecesitaUn cráneo de plástico (en cualquier lugar que vende decoraciones de Halloween)