Hacer un motor de jet del pulso, (escaneado de planos 1958) (11 / 17 paso)

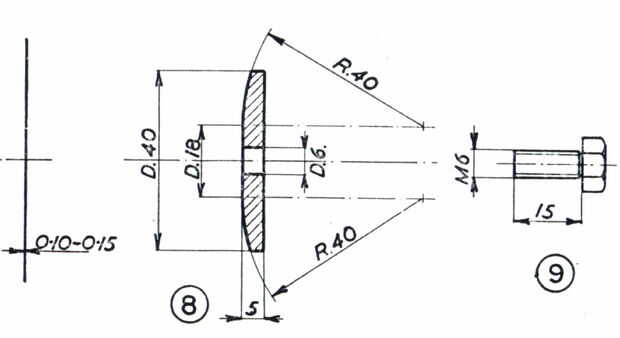
Paso 11: Parte 8 y 9

Artículos Relacionados

Motor de jet de pulso de Gatorade y cañón de airsoft!

Motor de jet de pulso de Gatorade y cañón de airsoft!

Era algo que hizo originalmente como un cañón de roca pequeña. Luego me enteré lo que se podría hacer en un simple pulso jet.Es fácil de hacer y sólo cuesta $15.Materiales:Botella de Gatorade con tapaEncendedor de parrillaAlgunos líquidos inflamables
PLANOS de motores de JET de pulso

PLANOS de motores de JET de pulso

este INTRUCTABLE se le planea hacer su propio pulso JET.Todas las medidas son diámetro interior.VOY A ACTUALIZAR CON NUEVOS PLANES CADA AHORA Y DESPUÉS. =)Yo no soy causado por le barbecho estos planes de responsable de cualquier daño o lesión
Cómo hacer un motor de jet puede café.

Cómo hacer un motor de jet puede café.

Paso 1: materiales un café grande puedeuna lata de café pequeñauna 8 "x 8" pieza de 1/4 "madera contrachapadaalambre de acero24" plástico tubo 1/4"botella de propano pequeñoconexiones de antorcha del golpebomba de aire para colchó
Cómo construir un motor de Jet!

Cómo construir un motor de Jet!

He querido construir un funcionamiento, motor de turbina jet durante mucho tiempo. Para mí, es algo impresionante la forma en que diferentes aspectos de un motor de jet juntado para hacer una unidad de funcionamiento, que es capaz de lanzar enormes o
La cerveza puede motor de Jet: Mk II

La cerveza puede motor de Jet: Mk II

***********************************************************************************************************ESTE INSTRUCTABLE NO ESTÁ ACABADA, AÚN TIENE ALGUNOS VIDEOS PARA SUBIR. SUSCRIBIRSE PARA ACTUALIZACIONES.LBO***********************************
Motor de Jet impresión 3D

Motor de Jet impresión 3D

He hecho esto. Esto fue un reto que me marcado. Quería avanzar mis conocimientos creo así desafió a hacer un motor de jet. Estoy muy orgulloso de lo que he hecho.Por favor comparta mi diseño a amigos ni familiares que disfrutan y encuentran interesan
Las piezas del motor de jet pocket accidental

Las piezas del motor de jet pocket accidental

piezas que pueden obtenerse fácilmente para motor de jet de killerjackalope. Incluye cuerpo de jet y el jet nozzel (probablemente no tan bueno como lo que él está pensando para arriba)Paso 1: materiales Ok, what you need is:un viejo R/C coche control
Cómo hacer un MOTOR del aire de pajas | TUTORIAL || DIY ||| EXPERIMENT||

Cómo hacer un MOTOR del aire de pajas | TUTORIAL || DIY ||| EXPERIMENT||

https://www.youtube.com/watch?v=61X6Jz2fjmE&feature=youtu.bePaso 1: Hacer un MOTOR del aire de paja necesita!!!!!! En el vídeo de hoy, les mostraré una divertida idea para los niños sobre cómo hacer un motor de aire (mini motor, hélice, etc.) en gene
Cómo hacer tu propio imanador del pulso de Metal

Cómo hacer tu propio imanador del pulso de Metal

hace cuatro semanas estaba buscando un magnetizador que puede revivir mis imanes muertos (mataron calefacción para arriba a una temperatura alta, intentar encapsular en un pedazo de vidrio), pero no he encontrado un proyecto instructivo que me puedas
Cómo construir tu propio motor de Jet

Cómo construir tu propio motor de Jet

no tienes que ser Jay Leno poseer una moto jet accionado, y te mostramos cómo hacer tu propio jet enigne aquí para alimentar sus vehículos extravagantes. Se trata de un proyecto en curso, y un montón de información adicional estará disponible en nues
Motor de jet con motor Go-Kart

Motor de jet con motor Go-Kart

Estas son instrucciones para los componentes básicos de la construcción de un kart en el que montar un motor, en este caso utilicé un motor jet de miniatura que había creado previamente, y por lo tanto esas instrucciones no se incluirán en esta, sino
El motor de Jet reciclado

El motor de Jet reciclado

Allí era, en mi rincón del sótano, mi colección de latas recuperados sentado en la esquina, pensando en lo que podría hacer... Entonces una idea brillante me golpeó como si estuviera tomando una siesta en las vías del tren... Yo haría un motor de jet
Mini motor de jet

Mini motor de jet

Hola... Yo m Gourav...He estado buscando mucho para planes de hacer un mini jet... pero no mucho ayuda...así que aquí me m.. .finding mi manera...Hice un motor de jet de algunos desechos... se utiliza líquido gasolina como combustible... y trabajó en
Motor de jet de latas de cerveza vacías!

Motor de jet de latas de cerveza vacías!

_Construir un motor funcional de latas de cerveza vacías y un viejo secador de pelo. Herramientas mínimas necesarias.Siempre había querido hacer un motor a reacción, entonces, un día de que me di cuenta que tenía las piezas disponibles para hacerlo.