Paso 1: El esquema

Los registros de cambio funcionan de esta manera:
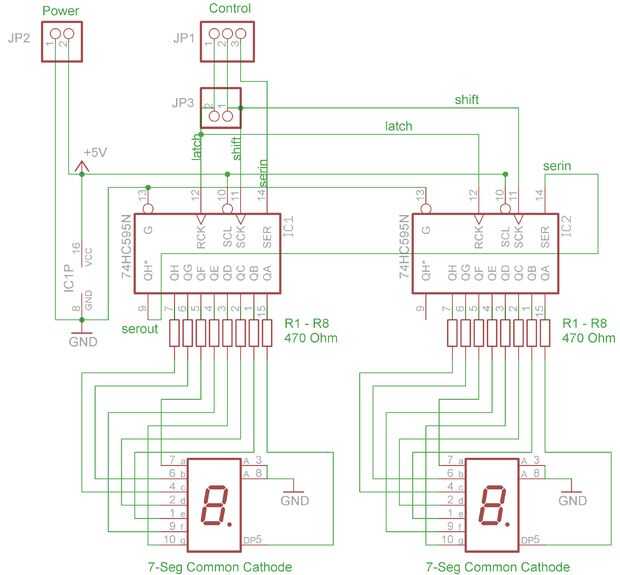
Cada vez que se aplica un pulso en la entrada del cambio, cambia el estado actual de la clavija de entrada serial en la memoria de los 74HC595. Cada vez que un pulso en el pestillo de la entrada llega el estado de la memoria interna se usa para controlar las salidas.
Después de 8 ciclos de cambio la primera entrada se cambia de puesto hacia fuera en el pin9 otra vez y podría ser utilizada como insumo para otro 74HC595. También esto se denomina una cadena Margarita.
El 74HC595 puede conducir hasta 70mA en total, así que tenemos que ajustar las resistencias de manera que la corriente a través de cada segmento del LED se mantiene por debajo de 9mA, que es alrededor de 470 Ohm para 5V y la muestra utilizada.