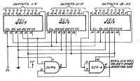
Hacer un chip de una RAM (memoria de acceso aleatorio) (4 / 4 paso)

Paso 4: expansión

Añadir más bits o si vas grandes bytes (1 byte = 8 bits) duplicar el circuito tantos bits como quieras y luego conecte todo la escritura permiten pernos juntos. Eso es espero verte otra vez Por favor añadir comentarios y sugerencias y correcto si me fue mal gracias.

Artículos Relacionados

Cómo hacer una rama de árbol falso para su reptil

Cómo hacer una rama de árbol falso para su reptil

reptiles subir grandes necesitan un hábitat adecuado. Nada es más perturbador que ver grandes pitones, boas o iguanas en pequeños tanques estériles con cosas inadecuados para colgar o subir. Estos reptiles necesitan entornos naturalistas que imitan s
Como hacer una pipa de madera, con un carburador, de una rama de árbol.

Como hacer una pipa de madera, con un carburador, de una rama de árbol.

En primer lugar off se lo digo. Mi propósito para este instructable es mostrar ingeniosos, paciente gente como barato y eficaz resolver el problema de no tener nada que fume fuera de con un poco de creatividad y elegancia. Todos ustedes saben el tala
Como hacer pulsera de alambre de rama de árbol con perlas de naranja

Como hacer pulsera de alambre de rama de árbol con perlas de naranja

¿Está llegando el otoño, estás buscando joyas de rama? Hoy en día, este tutorial es totalmente acerca de cómo hacer pulseras de alambre de rama de árbol con los granos.Paso 1: Materiales necesarios para hacer la pulsera de rama de árbol de alambre co
Hacer un ukelele con una navaja.

Hacer un ukelele con una navaja.

No se puede hacer un ukelele con una navaja que dicen.Usted necesita cientos de dólares de lujo herramientas y habilidades super especiales y materiales de lujo que dicen.También puede consignar esas opiniones al montón de chatarra de la historia. Es
Cohete de una rama de sauce

Cohete de una rama de sauce

Una colección diversa de madera que se reunieron durante los años puede llevar a algunos proyectos interesantes. Finalmente consiguió a hacer algo había estado pensando por un rato - rayar la construcción de un cohete de una rama de sauce. Aquí está
Pastel de galleta de chocolate Chip de una caja de

Pastel de galleta de chocolate Chip de una caja de

pastel de galleta es un postre favorito para cumpleaños y fiestas pero puede ser muy costosa.  Tienda galleta tortas ejecutan alrededor de $15 un pedazo pero con esta receta puede hacerse para cerca de $3.  Esta receta no requiere poca o ninguna expe
Comedero para pájaros de calabaza simple con una rama

Comedero para pájaros de calabaza simple con una rama

Construcción de una pajarera es una divertida actividad.También provee refugio para un ave nidificante y su descendencia.En este instructable usted aprenderá cómo construir uno de una calabaza.Elegí una calabaza porque la naturaleza ya ha hecho todo
Una manera fácil de cultivar bromelias en madera o una rama

Una manera fácil de cultivar bromelias en madera o una rama

Bromelias y madera van de la mano (son epífitas y la mayoría de ellos crece en los árboles en sus ambientes naturales) así que aquí está una manera fácil de conseguir que crezca y fije a driftwood, un rama, un tronco o cualquier tipo de madera.Paso 1
Hacer un estante de la rama

Hacer un estante de la rama

Durante mucho tiempo que quería hacer un estante con las ramas. El concurso de la estantería fue el empuje extra que necesitaba. Hacer un estante de rama y decidir donde te puse arriba: en la cocina, su dormitorio o en una habitación de niños.Paso 1:
Madera San Valentín / día rosas de una rama de madres

Madera San Valentín / día rosas de una rama de madres

Hice recientemente en mi torno para tornear madera y luego con mi dremel había tallada. Éstos fueron pintados y montados en cañas.El regalo perfecto para esa dama especial en tu vida que no lo siento por sí mismo en unos cuantos días.Disculpas por la
Cómo hacer un chip de cerebro adaptador CPU de T2.

Cómo hacer un chip de cerebro adaptador CPU de T2.

me dieron una cúpula de cristal como regalo así que quería hacer un poco de algo para ir en su interior.Empecé a pensar en apoyos pequeños podría hacer y se me ocurrió con la viruta del cerebro de terminator 2.Así que aquí está mi instructables sobre
De una rama a una lámpara: la Branchlamp

De una rama a una lámpara: la Branchlamp

Hola Instructables, se trata de una lámpara construyó hace cinco años con mi abuelo.  Una rama había sido derribada por un camión en su calle, y necesitaba una lámpara para mi escritorio, así que él guardó y construyó esta lámpara conmigo la próxima
Cómo hacer un anillo de una moneda - Tutorial

Cómo hacer un anillo de una moneda - Tutorial

https://www.youtube.com/watch?v=rZ23K9MUAYQ&feature=youtu.bePaso 1: Hacer un anillo de una moneda que necesita!Paso 2: La moneda se sentó en un borde. -Golpear en el borde con la cuchara de envolver la moneda alrededor sin una parada.-La cuchara se r
Cómo hacer un soldador con una batería de 6 voltios.

Cómo hacer un soldador con una batería de 6 voltios.

Hola, amigos!hoy que te muestro cómo hacer un soldador de una batería de 6v.Esta es la manera más fácil y el método más seguro! se pone caliente a 60 grados C en sólo 10 segundos.Aquí está la foto de ella! consiste en dos cables + y -.las cosas azul