Paso 6: Las conexiones definitivas.

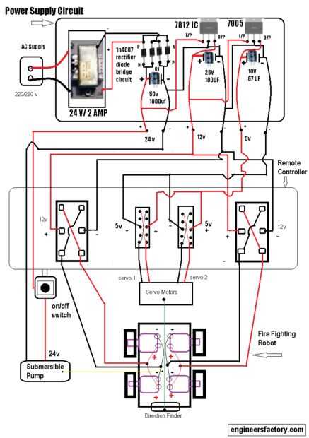
Ahora realice las conexiones entre la fuente de alimentación, control remoto y robots con la ayuda del alambre de la cinta. (Ver imagen de arriba)
Si has conectado todo correctamente entonces dirígete a la prueba final.
Prueba de alimentación circuito, interruptores de mando a distancia y todos los motores y bomba. ¿Está trabajando correctamente?
Si sí, entonces palmadita en la espalda:)
Tu robot de lucha contra el fuego está listo!
Si no es así, entonces Revise dos veces las conexiones que has hecho. Si usted hizo las conexiones correctamente entonces el robot debe funcionar correctamente.
Si usted todavía enfrentan algún problema puede comentar a continuación. Voy a intentar mi mejor resolver su problema.
La esperanza que se encontraron útil esta guía.
¡ Saludos!