Hacer tu propia lámpara de cristal de sal de Himalaya de un cargador de teléfono móvil (2 / 6 paso)

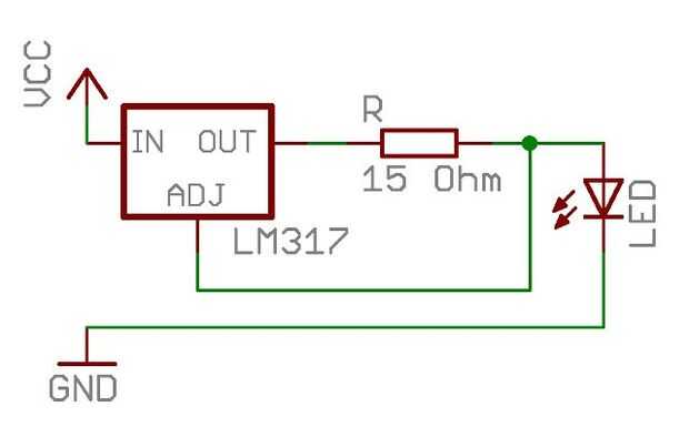
Paso 2: esquemático

Este es el esquema simple. En primer lugar intentar hacer en un protoboard.

Artículos Relacionados

¿Cómo obtener una fuente de alimentación ininterrumpida de 5.3v de un cargador de teléfono móvil también conocido como cómo hacer un adaptador de 5.3v?

¿Cómo obtener una fuente de alimentación ininterrumpida de 5.3v de un cargador de teléfono móvil también conocido como cómo hacer un adaptador de 5.3v?

Si tienes un cargador de teléfono móvil puede hacer fácilmente un adaptador de suministro de baja tensión. Tengo un cargador NOKIA AC-2N y su producción es de aproximadamente alrededor de 5.3v. Puede utilizar cualquier cargador de teléfono móvil pero
Hacer un cargador de teléfono móvil!

Hacer un cargador de teléfono móvil!

En vez de comprar un cargador inalámbrico caro, usted puede hacer su propio para menor costo siguiendo este inescrutable!Piezas necesarias:Módulo receptor inalámbricoBobina de cargador inalámbricoCaja del teléfonoHerramientas necesarias:TijerasCintaP
Como hacer cargador de teléfono móvil de la bicicleta

Como hacer cargador de teléfono móvil de la bicicleta

p.hex32 {color: rgb(100,100,100); font-family: consolas; font-weight: 200; font-size: 15.0px;}Hola amigos,Esta vez vengo con un cargador de bicicleta simple pero útil.Carga de su teléfono celular mientras voy en bicicleta y todo esto usted puede hace
Hacer un Cable de cargador Gameboy Advance SP USB: cargar tu GBA desde un PC o cargador del teléfono móvil

Hacer un Cable de cargador Gameboy Advance SP USB: cargar tu GBA desde un PC o cargador del teléfono móvil

¿por qué hacer esto, pregunte?Bueno, con este cable del USB, ya no tendrá que llevar un cargador separado para tu Gameboy Advance SPUsted puede cargar su GBA por enchufar al puerto USB de su ordenador portátil/pc o conectando al puerto USB de un carg
Lámpara de estado de ánimo de cargador de teléfono

Lámpara de estado de ánimo de cargador de teléfono

usar un cargador de teléfono viejo para encender una lámpara led aspecto agradable. Hice los patrones en la sombra con un adaptado de bicicleta . También, compruebe este instructable para hacer su propia rueca.Para inspiración, revisa esta galería de
Cómo hacer teléfono móvil cargador para tu moto

Cómo hacer teléfono móvil cargador para tu moto

En este Tutorial te mostraré que cómo instalar el cargador del teléfono móvil en su motocicleta el corazón de este proyecto es ic LM7805 sabemos que nuestra batería teléfono móvil requiere un 4.5 ~ 5 v C.c. tensión de carga para hacer un voltaje de C
Hacer tu propio teléfono móvil desde cero.

Hacer tu propio teléfono móvil desde cero.

El teléfono móvil DIY es un trabajo (aunque sea básico) teléfono móvil que puede hacer usted mismo. Puede hacer y recibir llamadas telefónicas y mensajes de texto, almacenar nombres y números de teléfono, Mostrar la hora y servir como un reloj desper
Cómo hacer una célula solar cargador del teléfono

Cómo hacer una célula solar cargador del teléfono

Si crees que este instructable es digno, por favor, deme un voto en los concursos de "Preparación de Apocalipsis", "Diseño de guerrilla" y "Tomar energía"!En una situación de emergencia el conocimiento es poder. Si el SHTF y
Cargador HACK - hacer cargadores de teléfono inteligente el mejor!

Cargador HACK - hacer cargadores de teléfono inteligente el mejor!

AQUÍ ES UN CARGADOR SIMPLE HACK, QUE HARÁ QUE NUESTROS CARGADORES LO MEJOR!Todos nosotros utilizan cargadores para cargar nuestros teléfonos móviles, tabletas, teléfonos inteligentes, etc.. Y la mayoría de los cargadores que están disponibles hoy en
Hacer un cargador de teléfono de emergencia - estilo MacGyver!

Hacer un cargador de teléfono de emergencia - estilo MacGyver!

En este video, aprenderás cómo "MacGyver" un generador eléctrico de 40 vatios de un taladro inalámbrico y unos artículos para el hogar.  Aquí es cómo cargar un teléfono, iluminar pequeñas luces y hacer electricidad en una pizca.Más proyectos com
Cómo hacer un cargador de teléfono portátil

Cómo hacer un cargador de teléfono portátil

Este es un tutorial sobre cómo hacer fácilmente un cargador de teléfono portátil que cabe en un contenedor de Altoids.Por favor vote por esto si te gusta el proyecto!!!!Paso 1: preparaciónMateriales:Altoids contenedor o recipiente pequeñocargador de
2.0: Hacer una célula Solar cargador del teléfono

2.0: Hacer una célula Solar cargador del teléfono

De http://www.2pointhome.comSoldar un poco es todo lo que necesita para hacer este cargador de emergencia celular poco cool. Mantener en la guantera de su coche, en caso de nunca obtener atrapados en el bosque y empezar a escuchar música de banjo!Es
Hacer un cargador de pared/USB micro Zen de un cargador de teléfono

Hacer un cargador de pared/USB micro Zen de un cargador de teléfono

usar un cargador viejo de celular y un cable de extensión usb para hacer un cargador de pared (no viene en caja con el micro zen y cuesta £30). Esto es muy fácil de hacer.Paso 1: Conseguir un cargador de teléfono celular, uno que se carga en 5 voltio
Luz del té para dos - hacer su propia lámpara colgante de un juego de té

Luz del té para dos - hacer su propia lámpara colgante de un juego de té

soy un geek de té y quería algo en mi cocina para reflejarlo.  ¿Qué sería mejor que un juego de té que cuelgan del techo?! Esta luz nunca falla obtener un Comentario de personas que ven por primera vez y $ 250 es mucho más barato que una única luz de