Hacer gráficos de tabla Digital/verdad en Excel (5 / 7 paso)

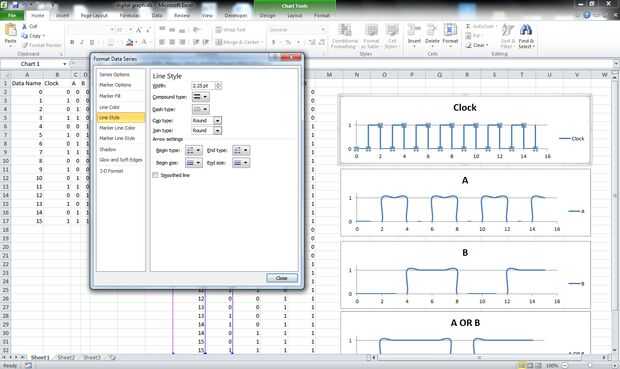
Paso 5: Suavizar

Quitar la casilla de verificación denominada línea lisa para un look de gráfica digital de los gráficos. Ver la imagen para el detalle.

Artículos Relacionados

Hacer gráficos en Qt y trazar sus medidas de arduino

Hacer gráficos en Qt y trazar sus medidas de arduino

como prometí vengo en mi segundo instructable para explicarte cómo programar gráficos en Qt. Esto le permitirá controlar las mediciones de un enchufe de la sonda en su arduino. Al final de este instructable podrás programar software Labview como grat
Cómo hacer gráficos para un estilo DDR juego

Cómo hacer gráficos para un estilo DDR juego

este tutorial le mostrará paso a paso sobre cómo crear gráficos para un estilo DDR juego en Scratch.Paso 1: Se necesita... Para hacer gráficos se necesita dos programas:Scratch: que es gratuito en http://www.scratch.mit.eduMicrosoft Power Point: comp
Hacer un marco de foto digital $30

Hacer un marco de foto digital $30

este tutorial le mostrará cómo hacer un marco de foto digital de 2.5" con un Mattel Juicebox. El costo total de las piezas estaba a $30. Sé que este tipo de tutorial ha sido hecho muchas veces, pero que pensé que sería publicar mi interpretación de é
Cómo hacer gráficos en Google Drive

Cómo hacer gráficos en Google Drive

Este instructable muestra cómo crear gráficos con Google Drive. Esto es ideal para proyectos escolares y puede poner fácilmente el gráfico en un documento word de Google o presentación.Paso 1: Abrir Google DrivePara utilizar Google Drive debe tener u
Cómo uso madera para hacer fresco mesa o tabla de muñeca

Cómo uso madera para hacer fresco mesa o tabla de muñeca

tuve algunos chatarra cedro cubiertas así que hice una mesa para mi tabla de mamá y de la muñeca para mi hermana menor. No mancha y pintar las tablas. Mi mamá y mi hermana lo hizo.Paso 1: Encontrar madera Contamos con una gran quemadura en nuestro pa
Cómo hacer una mesa-no-table

Cómo hacer una mesa-no-table

La mesa sin mesa (o TNT) es una pila poco a poco movimiento de papel soportado por un chasis de aluminio motorizadas. El papel es común (similar a papel de fotocopia). Allí son cerca de 1000 apilar hojas de papel por no-de mesa, que se apoyan en el c
Cómo hacer gráficos caseros un deck tech

Cómo hacer gráficos caseros un deck tech

va a mostrarte el camino fácil para hacer sus propios gráficos en un deck techPaso 1: el lijado primero de arena todos los gráficos originales de su plataforma de tecnología de con papel de lija (Retire primero los camiones)Paso 2: dibujar el diseño
Hacer gráficos para un Scratch Racing juego

Hacer gráficos para un Scratch Racing juego

este tutorial le mostrará cómo hacer un juego de carreras dentro del cero.Paso 1: Antes de comenzar necesita... PowerPoint: compra para Mac o PC.Scratch: Gratis en http://www.scratch.mit.eduPaso 2: Hacer los fondos. 1) Utilice la herramienta de dibuj
Cómo hacer una origami cámara digital (Dollar Bill)!

Cómo hacer una origami cámara digital (Dollar Bill)!

En este video tutorial, les mostraré cómo hacer una cámara digital de origami. Disfrutar: D!Origami: Cámara DigitalDiseñado por: Won ParkHecho por: Suhas SunderConsejos: tener cuidado de tus pliegues al principio, y el resto debería ser bastante fáci
Hacer lluvia abajo Chocolate! De verdad!  Aquí está cómo hacer su propio cañón neumático de caramelo!

Hacer lluvia abajo Chocolate! De verdad! Aquí está cómo hacer su propio cañón neumático de caramelo!

Ser la persona más cool del bloque mediante la construcción de un dispositivo neumático que lanzar dulces 100 pies en el aire y hacer lluvia de todo tipo de golosinas azucaradas!!!!!!Es divertido para hacer y un gran éxito en las fiestas de cumpleaño
Como hacer soporte de cámara digital o trípode de botella

Como hacer soporte de cámara digital o trípode de botella

¿Tiene una cámara Digital? Pero no tienen un soporte de cámara digital o trípode. ¡ Hágalo! No compre!Siga las instrucciones de vídeo!Paso 1: Se necesita -Botella (cualquier tamaño)-4 milímetro perno y tuerca hexagonal-Lavadora metal-Cutter-Agua-Alim
Cómo hacer magnífico broche de oro rosa caucho sellado tarjeta

Cómo hacer magnífico broche de oro rosa caucho sellado tarjeta

Esta demostración le enseña a crear algo muy especial. Esta tarjeta se ve como podría ser bastante lento y complicado, pero después de ver esto, verá lo fácil que es.Paso 1: Los elementos utilizados8x8inch en blanco marfil de la tarjetaOliva cartulin
Cómo hacer fotográficos 'luz-pinturas'

Cómo hacer fotográficos 'luz-pinturas'

'Light painting' es una técnica fotográfica que utiliza una fuente de luz para dibujar una imagen en el aire mientras que una fotografía de larga exposición. Capturando la luz de una fuente móvil, eres capaz de crear una imagen que muestra su movimie
Cómo hacer un kit de reloj digital basado en Atmel

Cómo hacer un kit de reloj digital basado en Atmel

este kit de reloj digtial viene con características y funciones:Características• Reloj digital• Contador• Alarma de tiempo• CronómetroBotones• S1: botón de selección de función• S2: extender el botón de función• S3: botón de ajusteFunciones:Ajuste de