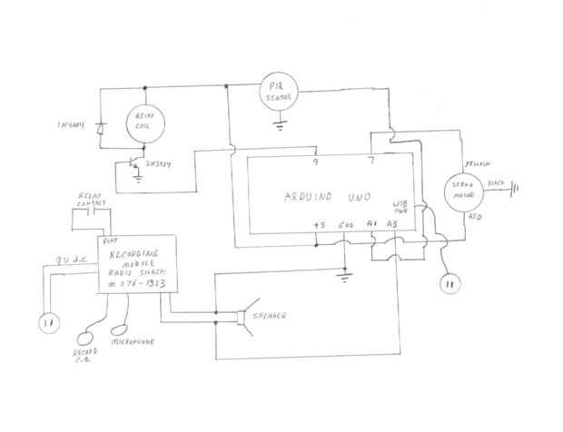
Hablando de la Magdalena (8 / 10 paso)

Paso 8:

Cables según el esquema.

Artículos Relacionados

Magdalena PushPops

Magdalena PushPops

muy bien chicos, vamos a comenzar!Los Cupcakes fueron creados en los Estados Unidos en el diecinueveavo siglo temprano, cuando ellos se crearon rápidamente se convirtió en uno de los pasteles más populares en los Estados Unidos, tanto de hecho que In
¿Tarta de queso una Magdalena (también conocido como bomba de sabor)

¿Tarta de queso una Magdalena (también conocido como bomba de sabor)

lo que es mejor que un pastel de queso?  ¿Qué tal un mini pastel de queso cubierto de fresas?  ¿Qué tal un mini pastel de queso cubierto de fresas y horneados en un cupcake de chocolate?! Ahora estamos hablando!  Este cupcake es el alimento equivalen
Al vapor magdalenas de mantequilla con queso (mantequilla Puto)

Al vapor magdalenas de mantequilla con queso (mantequilla Puto)

Tradicionalmente, puto o panecillos al vapor son Filipino aperitivos hechos con harina de arroz y leche de coco, pero también hay diversas clases hechas. El tipo de sabor de mantequilla es mi favorito y nos gustaría hacer para ocasiones especiales y
Joyas de piedras preciosas de la Magdalena

Joyas de piedras preciosas de la Magdalena

Estos publiqué hace unos días en instagram y eran sorprendentemente muy populares! Así que he decidido hacer un instructivo sobre cómo hacer un encanto de cupcake cubierto de cristal que puede ser utilizado para collares, pulseras o incluso encantos
Jardineras de hormigón Magdalena

Jardineras de hormigón Magdalena

Yo estaba mirando una bandeja vacía de la Magdalena (después de comer los cupcakes... por mi cuenta) y pensé que haría el molde perfecto para pequeños productores de suculentas. La bandeja de Magdalena agrega un borde decorativo a los plantadores de
Magdalenas de Chocolate húmedos

Magdalenas de Chocolate húmedos

Si encanta el chocolate y luego te va a encantar esta receta de chocolate chips muffins de chocolate. Estas magdalenas de chocolate húmedos dan una dosis doble de chocolate, que contengan polvo de cacao y chips de chocolate. Son ricos, húmedos y choc
Zombie boca Magdalena

Zombie boca Magdalena

Para los amantes del género zombie: creación de un cupcake de boca realista zombie para Halloween, utilizando fondant y colorantes.Paso 1: Preparación: para colorear el fondantHacer un cupcake básico con el sabor elegido, (mina cupcake vainilla).Para
Firestarters DIY de la Magdalena

Firestarters DIY de la Magdalena

Nuestro hackerspace, el agujero del conejo va en un viaje de campamento y todo el mundo sabe que cualquier buen viaje camping comienza con una fogata descomunal! Para iniciar la hoguera, sin embargo, uno necesita un firestarter práctico y eficaz.Pres
Katy Perry traje de Magdalena (niño)

Katy Perry traje de Magdalena (niño)

mi hija le encanta Katy Perry. Le adora. Escucha a ella exclusivamente. Que debido a este grado de amor eterno que me decidí a hacer su traje. Y sería glorioso. Vestido de torre de la Magdalena de Katy Perry es, en mi opinión, uno de sus mejores traj
Francés de magdalenas mantequilla pasteles

Francés de magdalenas mantequilla pasteles

Magdalenas son mantequillosas, limón húmedos pequeñas tortas que hace una deliciosa hora del té por la tarde a tratar y una gran adición a un petit four. También son un delicioso caramelo para almuerzos o meriendas.Su forma de concha de mar de firma
Caja de la Magdalena de arcilla de polímero

Caja de la Magdalena de arcilla de polímero

aunque usted hornee como lo haría un cupcake real, probablemente no debería intentar comer pero este pequeño placer. Esta caja de la Magdalena es una adorable forma de almacenar unos cuantos pequeños tesoros. Tengo la idea de hacer un recipiente en f
Hervir huevos Magdalena

Hervir huevos Magdalena

Decepción es grande cuando es divertido. Sorprende a tu familia y amigos ofreciéndoles huevos duros como su desayuno cuando rompen la cáscara entonces la diversión comienza.Paso 1: ingredientesHuevos - 6Harina refinada - 1 tazaPolvo de hornear - 1 cu
Tazón de banana Blueberry Muffins - magdalenas de trigo integral - mollete - Muffin en una taza -

Tazón de banana Blueberry Muffins - magdalenas de trigo integral - mollete - Muffin en una taza -

Banana Blueberry Muffins - magdalenas - muffins de taza - Muffin de trigo en una taza-'Hornear es un arte', no a nosotros por lo menos. Consideramos la hornada como una forma de cocción que nos permite comer algo diferente. A diferencia de lo que nor
Tocino, espárragos, tomates y queso Quiche magdalenas

Tocino, espárragos, tomates y queso Quiche magdalenas

aquí es una receta de horneado de desayuno rápido y fácil. Sólo se tarda 20 minutos de tiempo de horneado.Ingredientes necesarios:x6 huevos (possibley 2 mas ya que como puedes ver soy corto una Magdalena en la bandeja)1 taza de leche5-7 lanzas del es