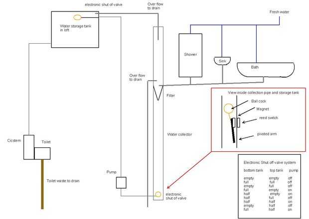
Había hecho en casa gris bricolaje reciclaje de agua sistema de agua. (1 / 11 paso)

Paso 1: Principio básico

El principio básico es cuando el agua va abajo el agujero del tapón en la pileta baño ducha o baño. Se recoge en 2 tubos de suelo fijo para el lado de la casa y entonces bombeada para arriba en el desván que se almacena en un tanque de almacenamiento listo para usarse para limpiar el inodoro.

Aquí hay un enlace a una imagen más grande

http://sites.Google.com/site/simonspagesproject/Home/Grey-Water-System

Artículos Relacionados

Mantequilla/manteca de leche hecho en casa. La forma de hombre con una sierra de sable!!

Mantequilla/manteca de leche hecho en casa. La forma de hombre con una sierra de sable!!

En este Instructable le explicará cómo hacer mantequilla/mantequilla cruda casera con mi sierra de sable. En primer lugar aquí es una pequeña historia detrás. Me encanta Instructables, hace mi mente trabajar de diferentes maneras. Los desafíos son ta
Hecho en casa vestido de bola, vestido de fiesta, de novia o vestido de fiesta para monedas incluyendo accesorios

Hecho en casa vestido de bola, vestido de fiesta, de novia o vestido de fiesta para monedas incluyendo accesorios

Bien tal vez no muy bajo, pero es muy barato para lo que obtienes, una pieza única de Artes y de arte usable. Incluso si tienes que comprar a la tela nueva y fuera el rollo, que todavía no costaría mucho más que 10 Euros/dólares/libras. Originalmente
Hecho en casa ID

Hecho en casa ID

Antes de agregar un Comentario sobre conseguir arrojado en la cárcel, trata de no hacer FAKE ID, se trata de caseros ID. Es ID que tiene información completa y exacta 100%, solo que lo hizo.He estado llevando mi tarjeta de identificación Personal hec
Hecho en casa vino de uva

Hecho en casa vino de uva

Estoy haciendo vino hecho en casa desde hace unos años, principalmente de manzanas + uvas, bayas, calabaza y etc, pero esta vez la hice con uvas: http://www.moonshiners.club/how-to-make-homemade-g...El color y el aroma es increíble!Recomendamos proba
Cómo reciclarlos talones del creyón en un regalo hecho en casa se hinchan

Cómo reciclarlos talones del creyón en un regalo hecho en casa se hinchan

es el momento de recesión. Usted quiere ahorrar dinero mientras tratando de ser "verde" y te gusta la idea de sus hijos haciendo algunos regalos hechos en casa. Además eres el orgulloso propietario no tan de un crayón rechoncho descomunal colecc
Tanto como sea posible nieve caliente lleno de trigo. Cojín hecho en casa en forma de gallina orgánico frío/calor. Bouillotte Bio

Tanto como sea posible nieve caliente lleno de trigo. Cojín hecho en casa en forma de gallina orgánico frío/calor. Bouillotte Bio

alternativa orgánica hecha en casa a una botella de agua caliente. En base a nuestro Gallo chino Cochin Snowy, Diseñé y esta hecho de lo que había disponible--un remanente de percal orgánico, sobrantes de una hoja y el grano de pollo orgánico certifi
Cena perro hecho en casa: Arroz con carne

Cena perro hecho en casa: Arroz con carne

Este pasado invierno fue áspero para nuestro joven Shih Tzu, coche-Li, ella desarrolló neumonía y bronquitis y estaba muy enferma durante cuatro meses. El pobre perrito estaba tomando 11 pastillas al día, tos y sibilancias, incapaz de dormir mucho de
Hecho en casa ruedas de Mecanum

Hecho en casa ruedas de Mecanum

Hola amigos, Bienvenidos a mi tutorial sobre ruedas de Mecanum caseras que fueron hechas de metales y madera. Había hecho cuatro de ellos y fueron diseñados para sujetar el movimiento de un vehículo en un área compacta. Cada rueda funciona perfectame
Fósiles hechos en casa!

Fósiles hechos en casa!

¿Se siente como un fósil, pero no quieres esperar 100 millones de años? Ahora usted puede hacer como madre (tierra) utilizado para hacer! No petrificados, no es tan difícil como crees. Estos fósiles molde y fundición son ideales para escuela, casa, o
Cómo hacer un mini caballete del arte hecho en casa en 20 min

Cómo hacer un mini caballete del arte hecho en casa en 20 min

en este Instructable mostrará cómo hacer un caballete de arte hecho en casa.Paso 1: materiales necesita:una sierraun taladroun tacouna cosa larga de maderacarne string (o cualquier otra cadena o una cadenapegamento para maderastaples(or similar) made
Hecho en casa barato chasis de trastos viejos

Hecho en casa barato chasis de trastos viejos

hecho en casa barato chasis con trastos viejos, como el viejo Cd/dvd (caso), tubo/cable soporte/clip, tornillo y dc motor.** del mismo modo usted puede colocar la rueda delantera.pronto actualizaré este post. con los pasos completos y foto 'Si es nec
Leche de almendras hecha en casa y leche de almendra vainilla hecho en casa!

Leche de almendras hecha en casa y leche de almendra vainilla hecho en casa!

Estoy usando tuercas parte 1 de 4 partes de agua. Pero te daré estas 2 nuevas recetas en este post. ¿Qué es la leche de almendras? Esto es un no-lácteos, libre de gluten y leche vegano, obtenida de nueces almendras crudas o remojadas, escurridas y bi
Hecho en casa madera empujar bici bicicleta reparación soporte

Hecho en casa madera empujar bici bicicleta reparación soporte

Hace años hice esto. Yo vivía en una casa de cuota en el momento y necesitan un soporte de reparación de bicicletas para ayudar con un proyecto de restauración de moto empuje que estaba haciendo en el momento. Si alguna vez encuentras querer o que ne
Hecho en casa pc juego juego de carreras

Hecho en casa pc juego juego de carreras

este es mi controlador de juegos de carreras pc casera que construí hace un año. y diseñé para mis necesidades cuando racing. tiene volante con improvisado volante, centro retorno cambios mecanismo y paleta, H-palanca de cambios, freno de mano, pedal