Paso 7: cableado

Quería darme una gama de opciones en cuanto a sonido se refiere, así que había un poco en línea para ver qué se podría hacer con humbuckers donde hay un grifo entre las dos bobinas. La recolección DeArmond original es un tipo de humbuckers con un golpecito de la bobina, como es la nueva camioneta de Entwistle, así que decidí hacer uso de los grifos en ambos.
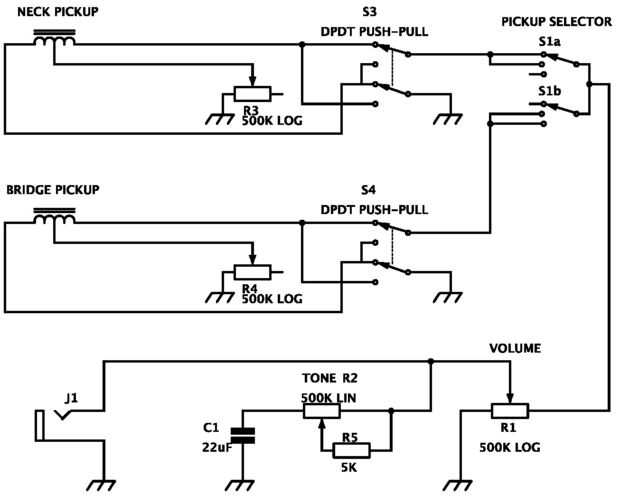
En lugar de usar un interruptor para apagar la segunda bobina o sobre, opté por utilizar un potenciómetro para cada camioneta como un control de la 'mezcla', que modifique la cantidad de señal de la segunda bobina que vino a través. He utilizado 500 k log los potes, con un switch DPDT de vaivén, como también quería ser capaz de elegir cual de las bobinas estaba 'en' y que iba a ser mezclado. El diagrama del circuito que debe arrojar luz sobre lo que estoy hablando aquí - los conmutadores push-pull sólo cambiar la polaridad de cada pastilla, y los potenciómetros de controlan cuánta resistencia hay entre la corriente de la bobina y tierra. He utilizado Schemit en línea para producir el diagrama de arriba - mucho más legible que mi original dibujado a mano!
El golpecito de la bobina completamente puesta a tierra con eficacia hace redundante (la primera bobina - ve va a tierra), la segunda bobina de la humbucker para obtener una sola bobina sonido. Mediante el ajuste de la resistencia de R3 y R4 (girando la perilla) una cantidad creciente de la señal pasa a través de la segunda bobina antes de ir a tierra.
Un punto a la Nota: después de mi primer intento de cableado hay claramente algo mal. Resultó que había no conecté un cable de tierra común a todos los componentes, por lo que el circuito estaba abierto. Uniéndose a los terrenos de todos los interruptores, pastillas y el tubo de desagüe, todo funcionaba como debería.