GSM sistema de alarma de incendio basado en (2 / 3 paso)

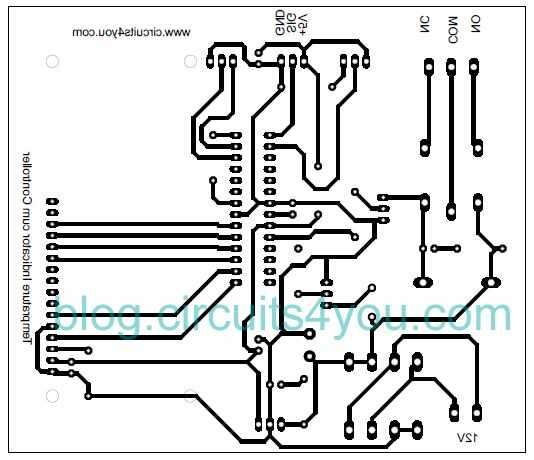
Paso 2: Diseño de circuitos y PCB fabricación

Requiere disponer de archivos

1. probar la simulación haga clic aquí para descargar archivo de simulación Protius

2. Descargar pdf diagrama del circuito completo

3. ensamblar componentes usando sobre archivos.

Artículos Relacionados

GSM sistema de alarma de incendio basado usando Arduino

GSM sistema de alarma de incendio basado usando Arduino

Sabías que el 87% de daño de fuego se producen debido a la falta temprana de detección de incendios pero ahora vamos a intentar reducir este porcentaje con la ayuda de tecnología así que s comienzo cuando produce un incendio del módulo Gsm enviará un
Sistema de alarma de incendio

Sistema de alarma de incendio

Nota: Mi inglés no es suficiente. Puedo leer y comprender pero no hablar mucho.Lo siento ;)Paso 1: Materiales para el proyectoHaremos un sistema de alarma de incendio en nuestro proyecto. Así que empecemos!Aquí es lo que necesita para hacer un sistem
Basados en Arduino antirrobo y sistema de alarma de incendio

Basados en Arduino antirrobo y sistema de alarma de incendio

Hola gente, me gustaría compartir con ustedes mi proyecto.Es un sistema de alarma basado en Arduino que consta de teclado de matriz de 4 x 4, pantalla LCD de 16 x 02 está conectado al tablero mediante 2 hilos esquema 74LS164 y ATmega328p.Aquí está la
Sistema de alarma de transmisión infrarroja de temperatura inalámbrico con Arduino

Sistema de alarma de transmisión infrarroja de temperatura inalámbrico con Arduino

Equipo de ICStation presentamos el infrarrojo temperatura transmisión sistema de alarma inalámbrico basado en el ICStation UNO R3 Junta. Este sistema trabaja bajo fuente de alimentación 5V, puede supervisar el cambio de temperatura en tiempo real y e
INVERNADERO, RACK de servidores, acuario y otros aparatos de temperatura SUPERVISOR con SMS sistema de alarma con Arduino, itbrainpower.net 3G / GSM escudos y 1WIRE SENSOR de temperatura

INVERNADERO, RACK de servidores, acuario y otros aparatos de temperatura SUPERVISOR con SMS sistema de alarma con Arduino, itbrainpower.net 3G / GSM escudos y 1WIRE SENSOR de temperatura

Sobre el proyectoConstruir usted mismo su propio control sistema con umbrales de temperatura máxima y mínimade la temperatura, mantener vivo masajes y paginación de SMS (oldies pero goldies como) y sistema de armado/desarmado remoto. Puede supervisar
Sistema de alarma de agua de frambuesa Pi

Sistema de alarma de agua de frambuesa Pi

Instrucciones para emplear un Raspberry PI como un sistema de alarma de aguaVersión 1.0, publicada en enero de 2015El Raspberry Pi lee el estado de uno o dos de agua sensor dispositivo (s) en una o dos de sus pines GPIO. Cuando detecta agua frambuesa
SPLat controlado sistema de alarma de habitación Bluetooth IR

SPLat controlado sistema de alarma de habitación Bluetooth IR

=============================================================Particularmente me gusta este proyecto porque requiere mínima experiencia eléctrica como la mayor parte de sensores hechos de antemano y PLCs. Pero permite comenzar con, esto no es un siste
ELab de Hackerspace GSM sistema de Control de acceso

ELab de Hackerspace GSM sistema de Control de acceso

en este Instructable le mostraremos caliente para hacer un sistema de Control de acceso de GSM para hackerspace/garaje/casa/dormitorio/sube/laboratorio al igual que hemos construido para eLab Hackerspace. Sólo utilizamos algunas partes construidas pe
Alarma de sombra basado en Arduino

Alarma de sombra basado en Arduino

Alarmas de sombra se utilizan generalmente para la protección contra el robo. Una alarma de sombra es un dispositivo que emite una alarma cuando una sombra cae sobre ella. Se describe aquí es un simple circuito de una alarma de sombra basado en ardui
Sistema de alarma de la viga del laser

Sistema de alarma de la viga del laser

¿necesita un sistema de alarma portátil? ¿Algo barato pero muy efectivo? Entonces este sistema de alarma láser encubierta es el para usted. He visto unos láser alarma instructables, pero todos ellos sólo activan la alarma mientras que la viga se romp
Sistema de alarma de detección de movimiento DIY SMS

Sistema de alarma de detección de movimiento DIY SMS

En este proyecto combinará un sensor de movimiento PIR barato con un módulo GSM TC35 para construir un sistema de alarma que te envía un SMS "Alerta de intruso" cada vez que alguien intenta robar tus cosas. Vamos a empezar !Paso 1: Vea el video!
Cómo hacer un sistema de alarma con Arduino

Cómo hacer un sistema de alarma con Arduino

Con Arduino es realmente posible hacer proyectos complejos, particularmente a través de Internet, se puede utilizar a través del escudo diferentes disponibles para el microcontrolador. En este artículo, veremos cómo hacer un sistema de alarma profesi
Casa 10 zona monitor y sistema de alarma usando hubs ethernet SNMP.

Casa 10 zona monitor y sistema de alarma usando hubs ethernet SNMP.

Este es mi primer instructivo, por lo que la esperanza es de interés.Este sistema de monitor o alam de 10 zona, se realiza utilizando un bajo costo IP snmp centro y Windows basado en PC con software de snmp de salida comercial, pero en la versión gra
Cuerpo humano sistema de alarma de temperatura infrarrojos de humo con Arduino

Cuerpo humano sistema de alarma de temperatura infrarrojos de humo con Arduino

ICStation Equipo de presentarles este cuerpo infrarrojo humo temperatura alarma sistema humano basado en ICStation Meag2560 compatibles con Arduino.The humano cuerpo infrarrojo humo temperatura sistema de alarma funciona bajo el voltaje de 5v DC y ut