Gráficos de CNC DIY cortador hack (2 / 6 paso)

Paso 2: Gráfica CNC DIY cortador hack

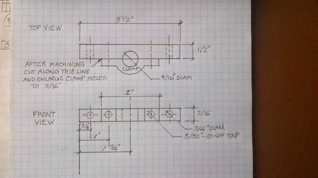
El primer paso fue hacer un soporte para adaptar el sujetador de la cuchilla a mi máquina. Elegí Delrin como que se corta fácilmente con herramientas de mano o eléctrica y es muy fuerte. I cortar y perforar el soporte de una sola pieza y cortar la parte de sujeción en el extremo con mi sierra bruja reduce el agujero de 9/16 diámetro suficiente para proporcionar presión de sujeción en el soporte de herramienta de corte. Las otras dimensiones son adaptables a mi máquina, pero estoy seguro que tuyo variará. Todos los sujetadores son de 10-24 con un 5/32 broca y aprovechado. Los agujeros en la parte de sujeción fueron agrandados a 3/16 para permitir la pinza apretar en el soporte de herramienta de corte.

Artículos Relacionados

Plan para el ranurador CNC DIY: Cómo construir

Plan para el ranurador CNC DIY: Cómo construir

Nota: Originalmente publiqué esto en mi blog de Artes y oficios, Hacen que con Jason, y usted es Bienvenido a visite y Compruebe hacia fuera mis otros tutoriales, comentarios y lecciones paso a paso dibujo y pintura.Desde que vi mi primer CNC, yo sab
Ranurador del CNC DIY - proyecto clase

Ranurador del CNC DIY - proyecto clase

Cada adquisición de herramienta extravagante es, a la persona promedio, un completo misterio. "¿Qué demonios necesitas que?" es una pregunta comúnmente exclamó. Generalmente yo no necesito una respuesta concreta a estas preguntas a una herramien
Router CNC DIY

Router CNC DIY

Construir tu propio router CNC de 3 ejes es divertido y educativo. Este Instructable muestra todos los pasos que he seguido para hacer que mi Router CNC DIY. Este es el segundo hizo, después de aprender mucho de la construcción de la primera versión.
DIY: Inmovilizador Hacking para llaves perdidas o intercambiar ECU

DIY: Inmovilizador Hacking para llaves perdidas o intercambiar ECU

DIY: inmovilizadorHacking para llaves perdidas o intercambiar ECUAquí es cómo reprogramar inmovilizador de motor de su coche a programar llaves nuevas en invent de llaves perdidas o un ECU intercambiar.Video DIY:Descargo de responsabilidad:El inmovil
Shapeoko 2 CNC DIY Kit: Sistema eléctrico. Prueba y Hola mundo

Shapeoko 2 CNC DIY Kit: Sistema eléctrico. Prueba y Hola mundo

parte 2 de mi gran aventura CNC DIY, este cableado de tiempo por el paso a paso motores para Arduino, calibrar la máquina de nivelación y ejecución de Hola mundo. No necesariamente en ese orden.
Máquina del CNC DIY en acción!

Máquina del CNC DIY en acción!

Máquina A CNC DIY construido con diapositivas del cajón, partes de computadoras viejas, trozos de madera y steppers comprados en eBay.  Este proyecto fue muy divertido y fue construido en el barato.  Tengo un montón de videos del proceso.  Este Instr
DIY Draisienne (hack de taburete frosta de IKEA Bhend de Andreas y Samuel N. Bernier)

DIY Draisienne (hack de taburete frosta de IKEA Bhend de Andreas y Samuel N. Bernier)

en noviembre de 2012, Core77 hizo un artículo en su blog acerca de uno de mis proyectos, una colección de 3D imprime pantallas para reparar lámparas IKEA. Al final de la página, el escritor (Ray) hizo una sugerencia:"Donde hacks IKEA recientemente vi
Hacer su propio CNC DIY

Hacer su propio CNC DIY

este instructable describe el proceso de montaje de mi 2 º generación CNC máquina diseñado para ser fácil de construir y tranquilidad suficiente para ser Apartamento acogedor. He incluido proyectos de ejemplo que he hecho en las primeras dos semanas
DIY - cortadores de arcilla utilizando coque de caña

DIY - cortadores de arcilla utilizando coque de caña

BRICOLAJE - cortador de arcilla de la caña de Soda:-Utilizar una caña de refresco vacía para este proyecto DIY y los ayudaría en sus proyectos de arcilla todos...
Guitarra DIY con mi router cnc diy

Guitarra DIY con mi router cnc diy

Hola, este es mi segundo "grande" instructable. Es un proyecto que... por el momento me ha llevado durante 40 horas.Estoy construyendo un cuerpo de guitarra de madera de cerezo y madera de Ipé con mi ranurador del cnc para el contorno y los bols
Vida de organización DIY 3 Hacks hechos de cajas de Chocolate (VIDEO)

Vida de organización DIY 3 Hacks hechos de cajas de Chocolate (VIDEO)

2016 felices todos! Si eres como yo una de sus resoluciones es tirar el chocolate que comiste en Navidad... Pero ¿qué pasa si usted podría poner las cajas vacías de chocolate usar demasiado? ¿Y terminan con una casa más ordenada (con almacenamiento)?
Signo CNC DIY - un pequeño proyecto

Signo CNC DIY - un pequeño proyecto

esto fue sólo un poco proyecto CNC utilizando algunas imágenes prediseñadas online gratis, una versión antigua de Adobe Illustrator y F-grabar.  La máquina CNC fue un proyecto de construcción propia construido sin planes; sólo tipo de era alado.  Fun
CNC DIY BARATO!

CNC DIY BARATO!

HI there reader...Mi nombre es Siemen y soy de Bélgica. En este segundo mal instructable muestra cómo hacer mi CNC 2.0. Se trata de una guía paso a paso que puedes seguir con los planes. En este momento escribo esto solamente el diseño y ordenación d
Plotter CNC DIY 3axis fuera de viejas impresoras

Plotter CNC DIY 3axis fuera de viejas impresoras

router CNC se hace de dos impresoras viejas y viejo reproductor de CD. He usadopiezas que encontré en el sótano, recoger un montón de electrónicay mecánicos que encuentro a la basura o en el internet.Hice la electrónica de componentes pasivos. No qui