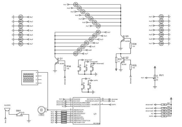
Paso 2: Los circuitos y el código para el microcontrolador







El circuito está diseñado desde cero por un PIC 16F88 y principalmente unidades RC servo para mover las antenas, alimenta los leds, comprueba pulsar un botón y genera algunos efectos de sonido como se puede ver en el siguiente vídeo.
He añadido el circuito esquemático y el archivo hex para programar el microcontrolador.
También ha añadido el archivo de simulación Proteus, si tienes el software proteus simular y ver cómo funciona la cosa, los botones, oír los sonidos etc..
puede aumentar y disminuir la frecuencia de exploración de los leds Pulse inc / dec botones o botones predefinidos que pueden ver en el video. También hay un potenciómetro en el mango del medidor pke para operar secretamente con su dedo índice mientras buscaba fantasmas. La frecuencia del sonido también cambia junto con la velocidad de flujo led.
Un sensor de distancia puede usarse para el medidor pke para operar sus antenas y cambiar las frecuencias de sonido condujo en la próxima versión. He añadido los agujeros necesarios para el modelo 3d para la IR led y receptor para el sensor de distancia. Este sensor no está implementado todavía en el código.
hay un sensor apto para el trabajo aquí. El vendedor ha proporcionado amablemente el circuito esquemático para el sensor, si desea crear usted mismo.