Paso 8: COMENTARIOS FINALES












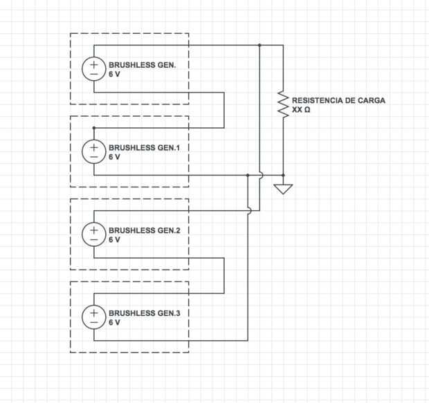
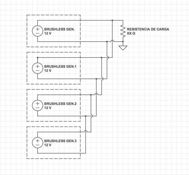
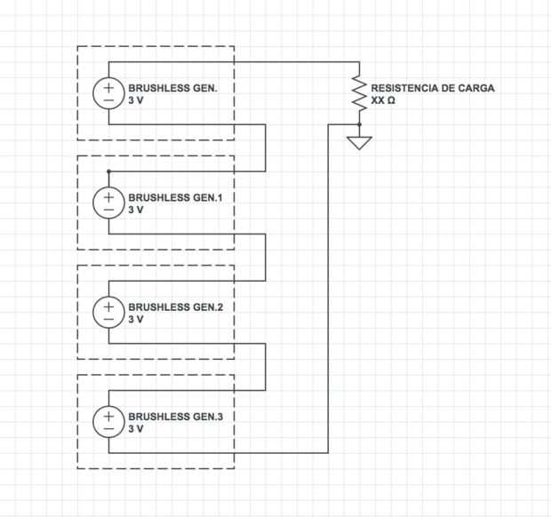
En este proyecto de utilizo un motor de CD/DVD como generador, de acuerdo con sus datos es un motor de 12 V / 1 Amp., lo motor de cual nos da las Naciones Unidas con una capacidad de 12 vatios.
Si se utilizan los nuevos motores de aeromodelismo, se pueden obtener resultados impresionantes.
Hay motores pequeños con una potencia de varios cientos de vatios.
Si los ponemos juntos, podemos energizar una unidad Inversora de hasta 1500 vatios fácilmente. Además de permitirnos cambiar la configuración del circuito eléctrico para adaptarnos a las necesidades del Inversor de Corriente.
Le agradezco a John Lannigan permitirme hacer referencia a su video, donde muestra el uso de un motor sin escobillas como generador:
Motor sin cepillo utilizado como un alternador, Descripción y prueba con resultados sorprendentes!
Si se usan este tipo de motores y se ponen los motores en forma de anillo, de tal forma podamos controlar electrónicamente la posición de estos durante el arranque y paro del sistema, podemos obtener un sistema altamente eficiente.
Tecnología Futura:
Este tipo de Generadores de Energía los podremos usar en un futuro cercano como incremento del tiempo de vuelo de nuestros Quadcopter´s.