

Se trata de un generador de ruido que genera ondas cuadradas, luego se mezcla juntos para hacer diferentes sonidos. Para cambiar los sonidos, agitando las manos sobre él. Es un circuito simple y es ruidosa, así que podría ser útil para los niños a probar la electrónica.
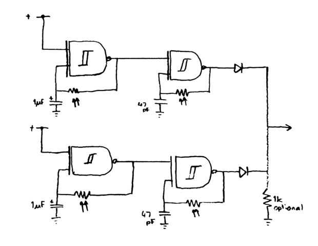
El circuito utiliza una "puerta de cuádruple Schmitt Trigger NAND" para proporcionar 4 osciladores. Estos osciladores se hace un sonido o activar otra puerta y conectar su salida a entrada de otra puerta.
Se basa libremente en un circuito en el libro "circuitos electrónicos hechos a mano" por Nicolas Collins.
Video: aquí Cómo funciona
Los cuatro osciladores están en grupos de dos.
La primera de cada par hace un lento de la onda cuadrado que enciende y apaga el segundo oscilador. Esto va en una de las entradas en la segunda puerta. Porque ambas entradas deben ser altas para la puerta encender, esta conexión detendrá la puerta segunda de trabajo. La segunda puerta oscila lo suficientemente rápido como para hacer un tono.
Por último los dos pares se mezclan utilizando los diodos para hacer la final sonido.
Tienen una mirada en línea para más información sobre el funcionamiento de los osciladores del disparador de Schmitt.













