Paso 3: Matriz de disposición de LEDS


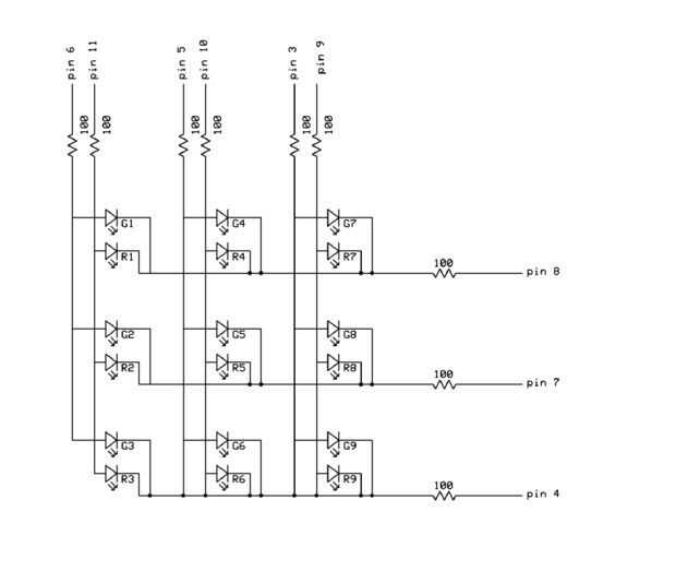
El diagrama de circuitos de la imagen de arriba muestra como los LEDs son cableados físicamente (G1-G9: LEDs verdes, R1-R9: LEDs rojos). Este diagrama es para un solo LED (rojo y verde), si estas usando un LED bicolor con catodo común rojo/verde, hay solo un catodo por patita hay conectar.
Van de líneas análogas rojo y verde de las a los pines PWM del Arduino (son los pins UNO del 3,5,6,9,10,11) para podamos tener efectos de desvanecimiento más adelante.
Una cada línea de ánodos y catodos se le conecta una resistencia de 100 ohmios a modo de protección.