¿Furtivamente en la nevera? (1 / 6 paso)

Paso 1: Cómo funciona...

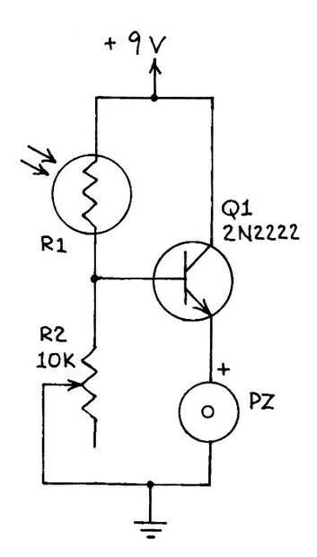
El circuito de la alarma de la nevera se muestra en la figura 1. Es un básico interruptor activado por luz que activa un generador piezoeléctrico. Cadmio Sulfuro fotoresistor R1 es oscuro, su resistencia es muy alta y NPN switching transistor Q1 está apagado. Cuando la luz incide en la superficie sensible de R1, su resistencia cae significativamente. Esto hace que el divisor de tensión formado por R1 y R2 para aplicar suficientes prejuicios a base de Q1 para interruptor Q1. Esto permite para fluir a través de Q1 a PZ, un zumbador piezoeléctrico.

Artículos Relacionados

Sopa de jamón de vacía la nevera

Sopa de jamón de vacía la nevera

Después de Navidad, todavía teníamos una madeja saludable de izquierda de jamón para disfrutar. Utilizamos algunos sándwiches y algunos en sobras picadillo de jamón con piña. ¿Qué hacer con ese último bit? ¿Y algunas vacaciones comidas las probabilid
Gabinete de herramienta / Banco de antigua nevera

Gabinete de herramienta / Banco de antigua nevera

Arriba son fotos de antes y después de la conversión.Paso 1: Retirar la tapa plásticaAbra la puerta y busque en la parte superior. Quite los tornillos del árbol.Paso 2:Mira la parte de atrás y retire los tres tornillos en la parte superior.Paso 3: Ha
Abrelatas de botella de cerveza nevera-montado

Abrelatas de botella de cerveza nevera-montado

Este abridor de botellas de cerveza super fácil de preparar se monta en su refrigerador con imanes y no requiere ninguna habilidad especial o herramientas para montar excepción un destornillador. Puesto que se realiza en dos piezas, usted puede monta
Barril-O-trario: Una reutilización adaptativa de una Mini nevera en un Kegerator

Barril-O-trario: Una reutilización adaptativa de una Mini nevera en un Kegerator

Estudiantes universitarios de los Estados Unidos y probablemente en todo el mundo, encuentran que necesitan muchos artículos para la vida de dormitorio: microondas, placas, hervidores eléctricos, Mini nevera y un montón de otros accesorios. Sin embar
Nevera cerveza té

Nevera cerveza té

mi Instructable primera (¡ yay!) y casi un robo completo de colado frío té helado por la incomparable jessyratfink.  Mi uno viene en una botella, utiliza bolsas de té y hace un trabajo ligeramente diferente.  Esperemos que sea lo suficientemente dife
JARDÍN (magnética) de la nevera!

JARDÍN (magnética) de la nevera!

Este Instructable le mostrará cómo hacer su propio jardín magnético para tu nevera (o congelador etc.).Las rocas/plantas no están hechas de arcilla necesidad de regar su jardín!Puede reorganizar sus imanes de planta para crear nuevos arreglos jardín
Imanes de nevera de punto de Cruz de contado

Imanes de nevera de punto de Cruz de contado

Hola! Este es mi primer instructable. Es no es realmente algo complicado que requiere direcciones paso a paso, pero todavía quería compartir la idea. ¡ Disfrute!Paso 1: materiales Necesita...Seda del bordadoAgujas de bordarTijerasLienzoUna simple ima
Imanes de nevera de casquillo de cobre

Imanes de nevera de casquillo de cobre

para cuando no se necesita perder el tiempo, ha encendido allí frig imanes.Cumpleaños de mi madre venía hacia arriba y mientras tenía un regalo agradable para ella, que necesitaba a un 'media embutidora'. Algo pequeño y útil. La última vez que estuve
Leche en la nevera - Internet de las cosas

Leche en la nevera - Internet de las cosas

Creo que un día, todos los armarios de alimentos y frigoríficos y congeladores sea inteligentes. Todos los productos tendrán un RFID o etiqueta reconocible video que actualizará una lista de uso del producto. El supermercado se reunir esta informació
Imanes de nevera de Kiwiana

Imanes de nevera de Kiwiana

estos imanes de nevera funky que representan su país son sólo un placer añadir a su cocina nevera.Tan fácil de hacer aún tan genial!!Paso 1: Encontrar tu pieza Encontrar una pieza pequeña aproximadamente 4,5 cm cuadrado preferiblemente, que represent
Mesa con nevera refrigerador

Mesa con nevera refrigerador

Aquí es un gran proyecto que se puede hacer en un fin de semana usando fuentes que usted encontrará en su ferretería local. Esta tabla al aire libre tiene un incorporado hielo refrigerador para mantener todos sus refrescos de verano frío en días cali
Imanes de nevera por chorro de agua

Imanes de nevera por chorro de agua

hacer tus propios imanes de nevera!(por supuesto, usted puede también a mano alzada con un cuchillo del exacto--tenga cuidado!)Brillante - se puede escribir en láminas magnéticas usando marcadores de borrado en seco!Además, adjunta es un pdf sobre có
Alarma de Detector de puerta de nevera

Alarma de Detector de puerta de nevera

lo tiene alguna vez te ha ocurrido ir a la nevera y descubrir que la puerta se abre ligeramente... y probablemente el alimento más fue a la basura... Ghhhrr que atasca la puerta que necesita un empuje extra para hacerlo bien de cerca...Este instructa
Imanes de nevera de Domino

Imanes de nevera de Domino

Se trata de una manera realmente fresca y fácil de hacer imanes únicos para su hogar.Encontré estas fichas en un centro de reciclaje y decidió que era demasiado buenos para ser lanzado hacia fuera! Así que llevé casa.Los imanes fueron algunas que ten