Fuente de alimentación de emergencia (2 / 3 paso)

Paso 2: cableado

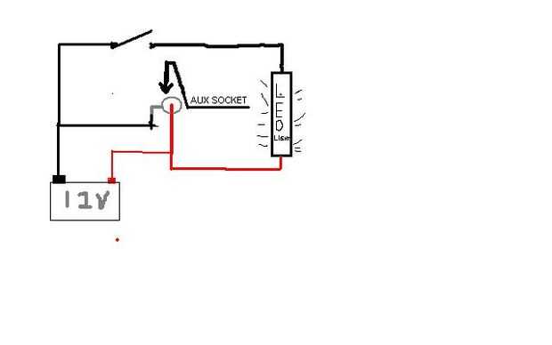
Bien este es auto explicativo que he escrito un esquema para

Artículos Relacionados

Fuente de alimentación de emergencia: 2.0

Fuente de alimentación de emergencia: 2.0

Heres la actualización:He encontrado uno de esos casos de Sterlite "Presumidos" se utiliza para almacenar CD (3.69 en Wal mart)Me dio un motivo para ser creativo con esteEstaba tan emocionada de empezar a trabajar en lo que se me olvidó tomar fo
Energía de campo portátil generador solar, alimentación de emergencia--

Energía de campo portátil generador solar, alimentación de emergencia--

Hi todos – aquí es otro de mis proyectos: DIY--energía de campo portátil generador Solar--fuente de alimentación de emergenciaSe trata de un sistema solar que construí hace unos años. Acabo de hacer una importante actualización en el sistema con pila
4AA pilas potencia 12V LED Spotlight - 12V fuente de alimentación

4AA pilas potencia 12V LED Spotlight - 12V fuente de alimentación

mayoría de los proyectos de electrónica y dispositivos electrónicos es fuente de alimentación de 12V necesarios; típicamente una batería de plomo 12V sellada o AC potencia fuente de alimentación. Por lo general son grandes, pesados, difíciles de mane
Alta eficiencia de doble voltaje alta corriente (hasta 3A) fuente de alimentación

Alta eficiencia de doble voltaje alta corriente (hasta 3A) fuente de alimentación

yo estaba buscando una fuente de alimentación de doble voltaje inicialmente a un disco duro viejo con 12V y 5V de alimentación. Quería crear un servidor casero basado en el Pi de frambuesa. Más tarde me di cuenta de que tenía un más nuevo disco duro
Convirtiendo a 110 voltios AC fuente de alimentación de respaldo en un solar cargado de alimentación

Convirtiendo a 110 voltios AC fuente de alimentación de respaldo en un solar cargado de alimentación

tuve una buena amiga de enviarme un comercial posterior alimentación de emergencia y surge protector con una nueva batería de 12 voltios 9amp.El manual dice que le potencia un escritorio y pantalla LCD por aproximadamente 1 hora.Tiene 4 picos y ruido
IKEA 'Solvinden' - fuente de alimentación USB Solar

IKEA 'Solvinden' - fuente de alimentación USB Solar

Esta es otra fuente de energía solar instructable. ¡ Pero espere! ¿Qué hace diferente a este?Bien para empezar, sólo cuesta alrededor de $10 y puede encender la mayoría de los dispositivos USB.Pero lo importante es que tiene el dulce estilo sueco IKE
Sistema de alimentación de emergencia pequeño

Sistema de alimentación de emergencia pequeño

Todos hemos tenido nuestro poder salir, agarra la linterna o la radio, descubre que las baterías son muertos y ejecución para el cajón de la batería para encontrar que su vacío o tengan el tamaño incorrecto. Generalmente, el peor caso es que tenemos
Camping la fuente de alimentación

Camping la fuente de alimentación

esto es una fuente de alimentación de 12v y 220v con cargador solar y alimentación y un mando a distancia para activar las salidas. El mando a distancia vino como una adición ya que hace las cosas mucho más fácil pulsar un botón en el bolsillo y tien
Sustitución de una fuente de alimentación inusual

Sustitución de una fuente de alimentación inusual

He pasado mucho tiempo fijar este inflable de la exhibición este año, y que no voy a renunciar ahora. El año pasado, tuve que hacer una reparación de emergencia para el adaptador de aire acondicionado después de esta decoración de césped de muñeco de
Fuente de alimentación Linear 10amp

Fuente de alimentación Linear 10amp

¿Por qué hacerlo para 3 cuando podemos diseñar para 10?! En el Colegio éramos encargado de diseñar una fuente de alimentación de 3 Amp, pero yo estaba buscando un reto, no un grado!Complicadas de este tipo de proyectos "simples" pueden hacer su
Potencia de un Router de ADSL WiFi de 12V de una fuente de alimentación PC

Potencia de un Router de ADSL WiFi de 12V de una fuente de alimentación PC

Hola a todos.¿Cómo estás?¿Sabes lo que es el peor escenario podría internet adictos habían?No hay acceso a internet.Hoy voy a mostrar cómo para un Router de ADSL WiFi de 12v de una fuente de alimentación de PC.Lo probé con un amigo y funcionó bien.Fu
Fuente de alimentación de bricolaje Banco (doble canal)

Fuente de alimentación de bricolaje Banco (doble canal)

Cada aficionado electrónico necesita una fuente de alimentación variable para prototipos y pruebas, pero pueden ser muy costosos. Voy a mostrar cómo construir un barato pero fiable de alimentación.Paso 1: La lista de piezas: La lista de piezas:Para c
Fuente de alimentación portátil Pequeña ultra

Fuente de alimentación portátil Pequeña ultra

Finalmente después de un tiempo muy ocupado que he terminado un nuevo proyecto hace pocos días.Por qué al infierno debe necesito estoMi laboratorio principal está en el hueco de la escalera, hay casi todo mi equipo, pero a veces specaly con arduino o
Doble fuente de alimentación reutilizando viejas grabadoras

Doble fuente de alimentación reutilizando viejas grabadoras

Soy una telecomunicaciones estudiante y necesita una fuente de alimentación para probar los circuitos que tengo que montar para las prácticas. Me gustaba ir a la Universidad cada vez que tenía que hacer una prueba. Entonces, encontré en casa dos grab