Paso 2: Encender la bomba/válvula



Queríamos que el agua se disparan en respuesta a la música para darle vida a cualquier ambiente de fiesta. Por lo tanto, tenemos que empezar por encontrar una manera de conectar la válvula a la bomba. Se consideraron los tamaños de tubería diferentes a tratar de que los dos encajan, pero encontramos que es que más complicado luego. Terminamos con un adaptador a máquina para caber dentro de un pedazo de tubo que luego se conecta perfectamente a la bomba. El otro extremo se presiona sobre la válvula (fotografiada arriba). En el otro lado de la válvula, se encontró un pedazo de tubería de equipo que nos dio una corriente más concentrada en lugar de un pico ancho (fotografiado arriba).
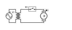
Luego, determinamos qué pieza debía ser constantemente alimentado y que iba a reaccionar a la música. Inicialmente tratamos de alimentar la bomba y gire la válvula de encendido y apagado constantemente. La bomba fue accionada por tomas de corriente mientras la válvula necesaria en cualquier lugar entre 8V y 12V para abrir. Hemos probado esta configuración y que haya demasiada presión cuando la bomba funcionaría con la válvula de. Así, nos han reorganizado nuestro proceso de pensamiento y había alimentado constantemente la válvula mientras encendiendo y apagando la bomba. El voltaje de CA en el diagrama anterior proviene de la pared y corre a un transformador de 12V mientras que el interruptor se cierre cuando 5V fue suministrada a él por el Arduino. Esto elimina el problema de la presión trasera y funcionó mucho mejor para nosotros. La fuente era realmente capaz de alcanzar una altura considerable con su flujo. Sin embargo, con esto vinieron temas de dirección y salpicaduras. Hemos sido capaces de orientar esa válvula y la bomba para que pesos de equilibrado y la válvula se dispara verticalmente. Sin embargo, una forma más segura de hacer esto y eliminar salpicaduras son dos aspectos que queremos abordar en el futuro medidas.